LEMON Manuals: Even more car manuals for everyone: 1960-2025
Home >> Nissan-Datsun >> 2008 >> Sentra SE-R >> Repair and Diagnosis >> External Pages >> Different car >> Section 141 (Door & Lock (With Intelligent Key System)) >> Power Door Lock System >> Wiring Diagram - With Intelligent Key System
April 5, 2026: LEMON Manuals is launched! Read the announcement.

Wiring Diagram - With Intelligent Key System

WARNING: This page is about a different car, the 2012 Nissan Pathfinder. However, it is still accessible from the selected car via links, so may be relevant.
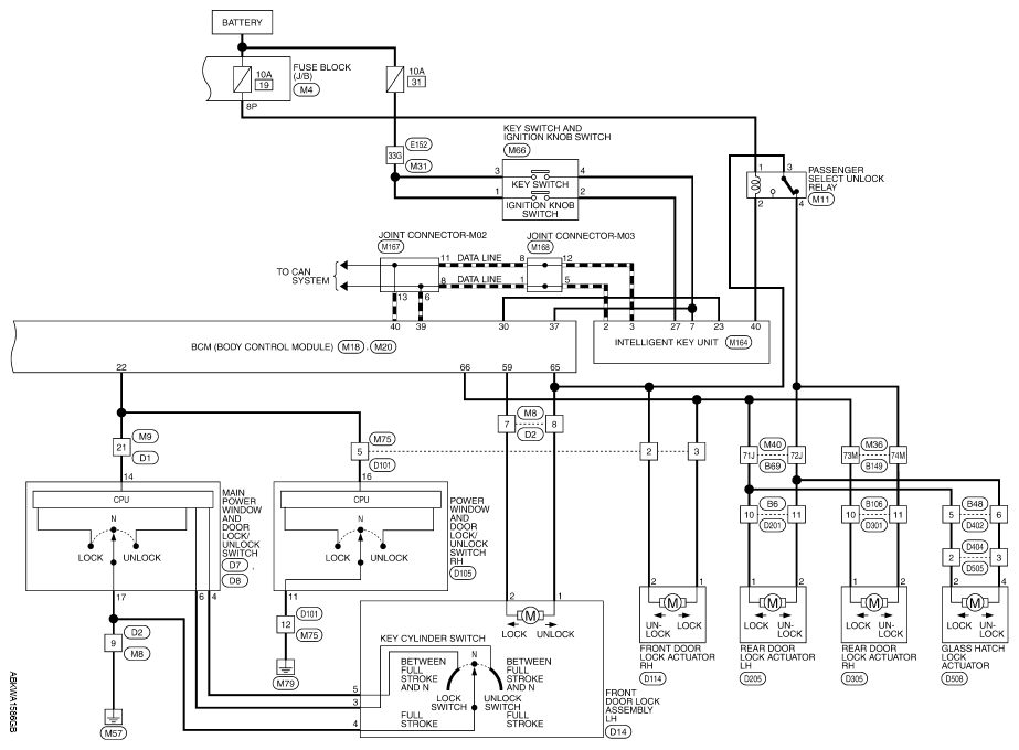
Fig 1: Power Door Lock System (With Intelligent Key System) Wiring Diagram (1 Of 2)
G08168000Courtesy of NISSAN NORTH AMERICA, INC.
Fig 2: Power Door Lock System (With Intelligent Key System) Wiring Diagram (2 Of 2)
G08168001Courtesy of NISSAN NORTH AMERICA, INC.