LEMON Manuals: Even more car manuals for everyone: 1960-2025
Home >> Nissan-Datsun >> 2008 >> Sentra SE-R >> Repair and Diagnosis >> External Pages >> Different car >> Section 193 (Engine Control System - DTCS P0171 To P0453) >> DTC P0171, P0174 Fuel Injection System Function >> Wiring Diagram >> Bank 2
April 5, 2026: LEMON Manuals is launched! Read the announcement.

Bank 2

WARNING: This page is about a different car, the 2007 Nissan Pathfinder. However, it is still accessible from the selected car via links, so may be relevant.
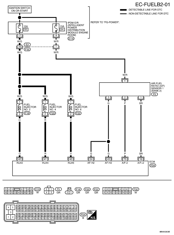
Fig 1: Identifying Wiring Diagram - EC-FUELB2-01
G04911748Courtesy of NISSAN NORTH AMERICA, INC.

Specification data are reference values and are measured between each terminal and ground.

Pulse signal is measured by CONSULT-II.

CAUTION: Do not use ECM ground terminals when measuring input/output voltage. Doing so may result in damage to the ECMs transistor. Use a ground other than ECM terminals, such as the ground.
SPECIFICATION DATA AND REFERENCE VALUES CHART

TERMINAL NO. WIRE COLOR ITEM CONDITION DATA (DC Voltage)
16 BR A/F sensor 1 (Bank 2) [Engine is running] 
  • Warm-up condition 
  • Engine speed: 2, 000 rpm
Approximately 1.8V
Output voltage varies with air fuel ratio.
24
43
G
G
A/F sensor 1 heater (Bank 2) [Engine is running] 
  • Warm-up condition 
  • Idle speed

    (More than 140 seconds after starting engine)

Approximately 2.9 - 8.8V(1)
G04900085Courtesy of NISSAN NORTH AMERICA, INC.
40
41
42
V
R
O
Fuel injector No. 6
Fuel injector No. 4
Fuel injector No. 2
[Engine is running] 
  • Warm-up condition 
  • Idle speed]
    NOTE: The pulse cycle changes depending on rpm at idle
BATTERY VOLTAGE
(11 - 14V)(1)
G04900094Courtesy of NISSAN NORTH AMERICA, INC.
[Engine is running] 
  • Warm-up condition 
  • Engine speed: 2, 000 rpm
BATTERY VOLTAGE
(11 - 14V)(1)
G04900095Courtesy of NISSAN NORTH AMERICA, INC.
75 P A/F sensor 1 (Bank 2) [Ignition switch: ON]  Approximately 2.2V
(1) Average voltage for pulse signal (Actual pulse signal can be confirmed by oscilloscope.)