LEMON Manuals: Even more car manuals for everyone: 1960-2025
Home >> Nissan-Datsun >> 2008 >> Versa SL, 4D Hatchback, Standard >> Repair and Diagnosis >> Engine Performance >> Engine Control Systems >> Engine Control System - Component Testing >> Fuel Pump >> Wiring Diagram
April 5, 2026: LEMON Manuals is launched! Read the announcement.

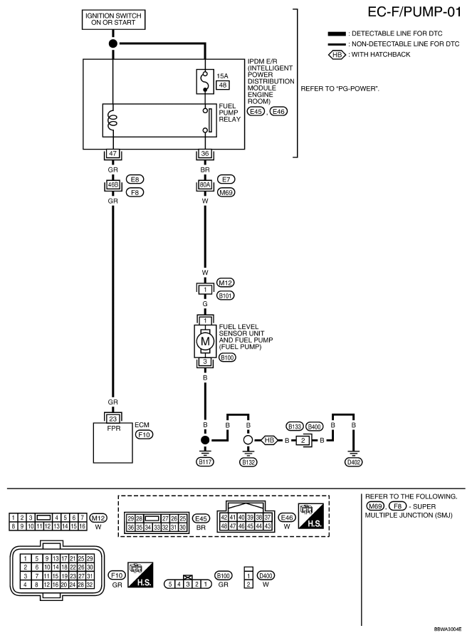
Fuel Pump: Wiring Diagram

For PG, go to POWER SUPPLY, GROUND & CIRCUIT ELEMENTS .

Fig 1: EC-F/PUMP-01 - Wiring Diagram
G04812608Courtesy of NISSAN MOTOR CO., U.S.A.

Specification data are reference values and are measured between each terminal and ground.

CAUTION: Do not use ECM ground terminals when measuring input/output voltage. Doing so may result in damage to the ECM's transistor. Use a ground other than ECM terminals, such as the ground.
VOLTAGE CONDITION REFERENCE CHART

TERMINAL NO. WIRE COLOR ITEM CONDITION DATA (DC Voltage)
23 GR Fuel pump relay [Ignition switch: ON] 
  • For 1 second after turning ignition switch ON

[Engine is running] 
0 - 1.0V
[Ignition switch: ON] 
  • More than 1 second after turning ignition switch ON
BATTERY VOLTAGE (11 - 14V)