LEMON Manuals: Even more car manuals for everyone: 1960-2025
Home >> Nissan-Datsun >> 2008 >> Versa SL, 4D Hatchback, Standard >> Repair and Diagnosis >> Engine Performance >> Engine Control Systems >> Engine Control System - Component Testing >> Mil And Data Link Connector >> Wiring Diagram
April 5, 2026: LEMON Manuals is launched! Read the announcement.

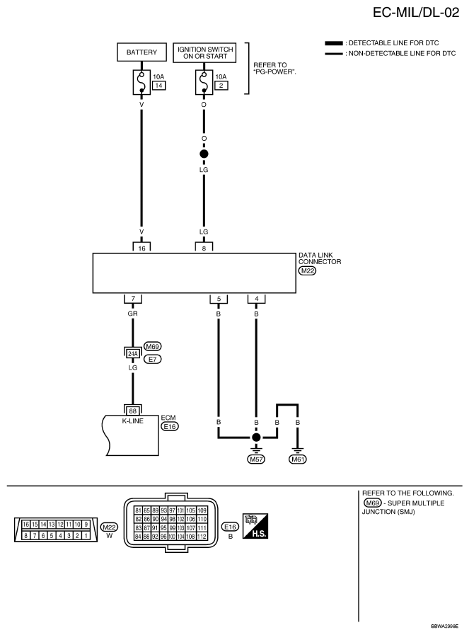
Mil And Data Link Connector: Wiring Diagram

For PG, go to POWER SUPPLY, GROUND & CIRCUIT ELEMENTS .

Fig 1: EC-MIL/DL-02 - Wiring Diagram
G04812640Courtesy of NISSAN MOTOR CO., U.S.A.