LEMON Manuals: Even more car manuals for everyone: 1960-2025
Home >> Nissan-Datsun >> 2009 >> 350Z Standard >> Repair and Diagnosis >> Engine Performance >> System >> Engine Control System - Component Testing >> ASCD Brake Switch >> Wiring Diagram >> M/T Models
April 5, 2026: LEMON Manuals is launched! Read the announcement.

M/T Models

NOTE: For references to "PG-Power", see POWER SUPPLY, GROUND & CIRCUIT ELEMENTS article.
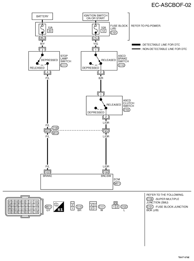
Fig 1: EC-ASCBOF-02 - Wiring Diagram (A/T Models)
G04875461Courtesy of NISSAN MOTOR CO., U.S.A.

Specification data are reference values and are measured between each terminal and ground.

CAUTION: Do not use ECM ground terminals when measuring input/output voltage. Doing so may result in damage to the ECM's transistor. Use a ground other than ECM terminals, such as the ground.
ITEM CONDITION CHART

TERMINAL NO. WIRE COLOR ITEM CONDITION DATA (DC Voltage)
122 P/L Stop lamp switch [Ignition switch: OFF] 
  • Brake pedal: Fully released
0V
[Ignition switch: OFF] 
  • Brake pedal: Slightly depressed
BATTERY VOLTAGE (11 - 14V)
126 L/OR ASCD brake switch [Ignition switch: ON] 
  • Brake pedal and/or clutch pedal: Slightly depressed
0V
[Ignition switch: ON] 
  • Brake pedal and clutch pedal: Fully released
BATTERY VOLTAGE (11 - 14V)