LEMON Manuals: Even more car manuals for everyone: 1960-2025
Home >> Nissan-Datsun >> 2009 >> 350Z Standard >> Repair and Diagnosis >> External Pages >> Different car >> Section 18 (Security Control System) >> With Intelligent Key System >> Ecu Diagnosis >> BCM (Body Control Module) >> Wiring Diagram - NVIS
April 5, 2026: LEMON Manuals is launched! Read the announcement.

Wiring Diagram - NVIS

WARNING: This page is about a different car, the 2009 Nissan Armada. However, it is still accessible from the selected car via links, so may be relevant.
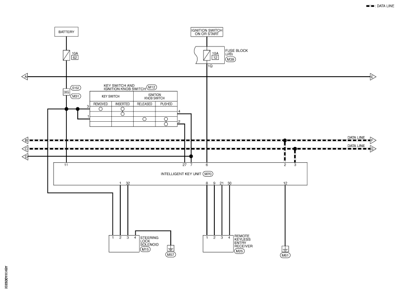
Fig 1: NVIS - With Intelligent Key System - Wiring Diagram (1 Of 3)
G05948626Courtesy of NISSAN MOTOR CO., U.S.A.
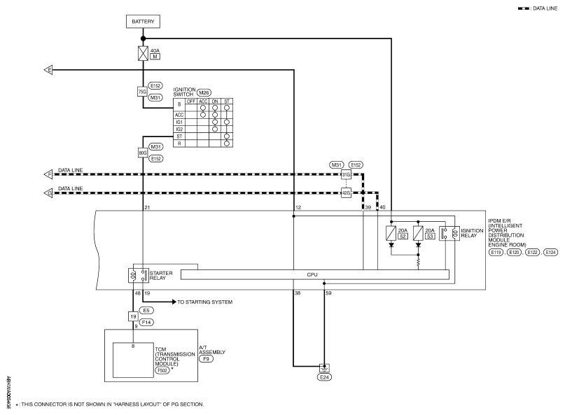
Fig 2: NVIS - With Intelligent Key System - Wiring Diagram (2 Of 3)
G05948627Courtesy of NISSAN MOTOR CO., U.S.A.
Fig 3: NVIS - With Intelligent Key System - Wiring Diagram (3 Of 3)
G05948628Courtesy of NISSAN MOTOR CO., U.S.A.
Fig 4: Identifying NVIS Connectors - With Intelligent System (1 Of 6)
G05948629Courtesy of NISSAN MOTOR CO., U.S.A.
Fig 5: Identifying NVIS Connectors - With Intelligent System (2 Of 6)
G05948630Courtesy of NISSAN MOTOR CO., U.S.A.
Fig 6: Identifying NVIS Connectors - With Intelligent System (3 Of 6)
G05948631Courtesy of NISSAN MOTOR CO., U.S.A.
Fig 7: Identifying NVIS Connectors - With Intelligent System (4 Of 6)
G05948632Courtesy of NISSAN MOTOR CO., U.S.A.
Fig 8: Identifying NVIS Connectors - With Intelligent System (5 Of 6)
G05948633Courtesy of NISSAN MOTOR CO., U.S.A.
Fig 9: Identifying NVIS Connectors - With Intelligent System (6 Of 6)
G05948634Courtesy of NISSAN MOTOR CO., U.S.A.