LEMON Manuals: Even more car manuals for everyone: 1960-2025
Home >> Nissan-Datsun >> 2009 >> 370Z Base, Standard >> Repair and Diagnosis >> Engine Performance >> System >> Engine Control System - System Component Testing >> Ecu Diagnosis >> VVEL Control Module >> Wiring Diagram - ENGINE CONTROL SYSTEM -
April 5, 2026: LEMON Manuals is launched! Read the announcement.

Wiring Diagram - ENGINE CONTROL SYSTEM -

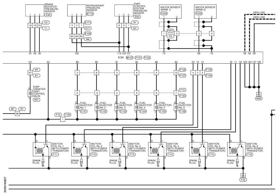
Fig 1: Engine Control System - Wiring Diagram (1 Of 6)
G06049598Courtesy of NISSAN MOTOR CO., U.S.A.
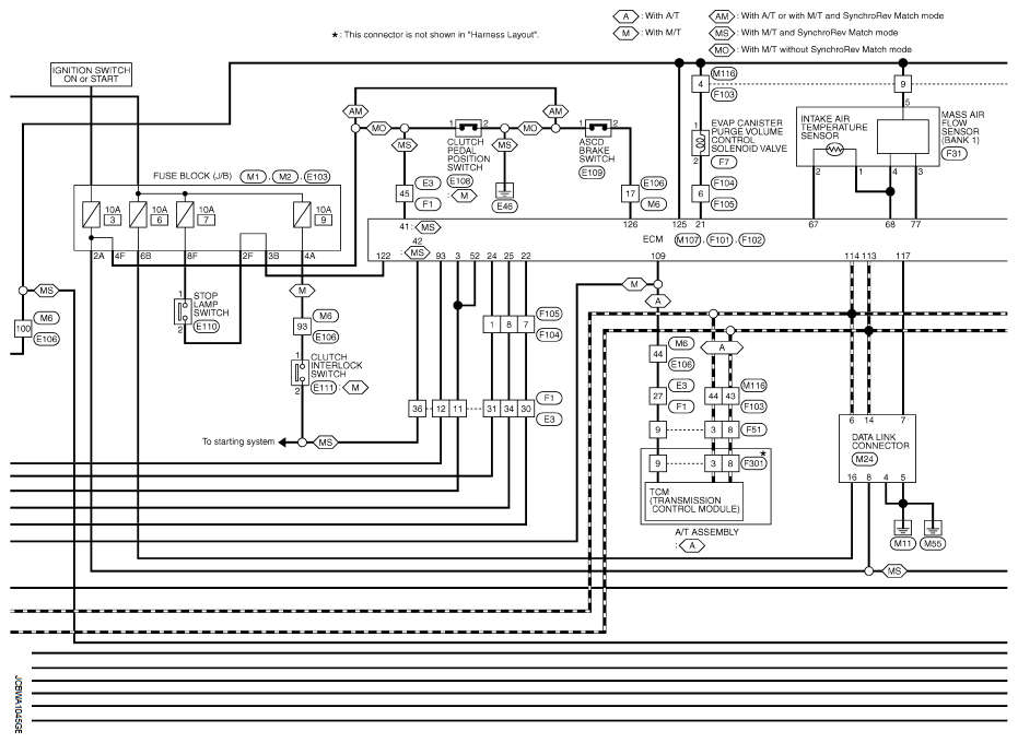
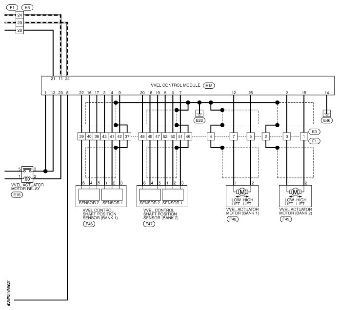
Fig 2: Engine Control System - Wiring Diagram (2 Of 6)
G06049599Courtesy of NISSAN MOTOR CO., U.S.A.
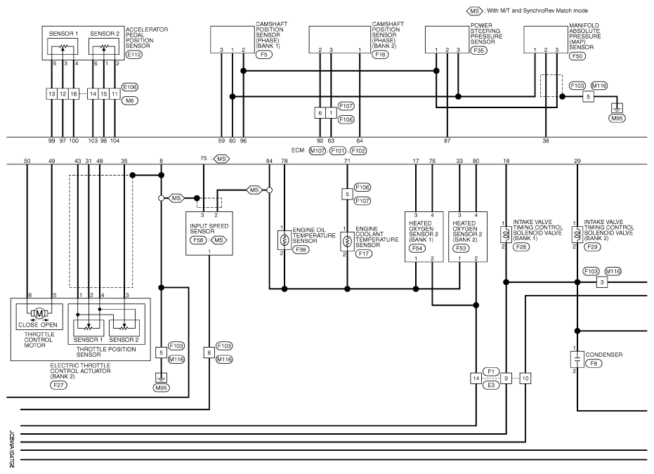
Fig 3: Engine Control System - Wiring Diagram (3 Of 6)
G06049600Courtesy of NISSAN MOTOR CO., U.S.A.
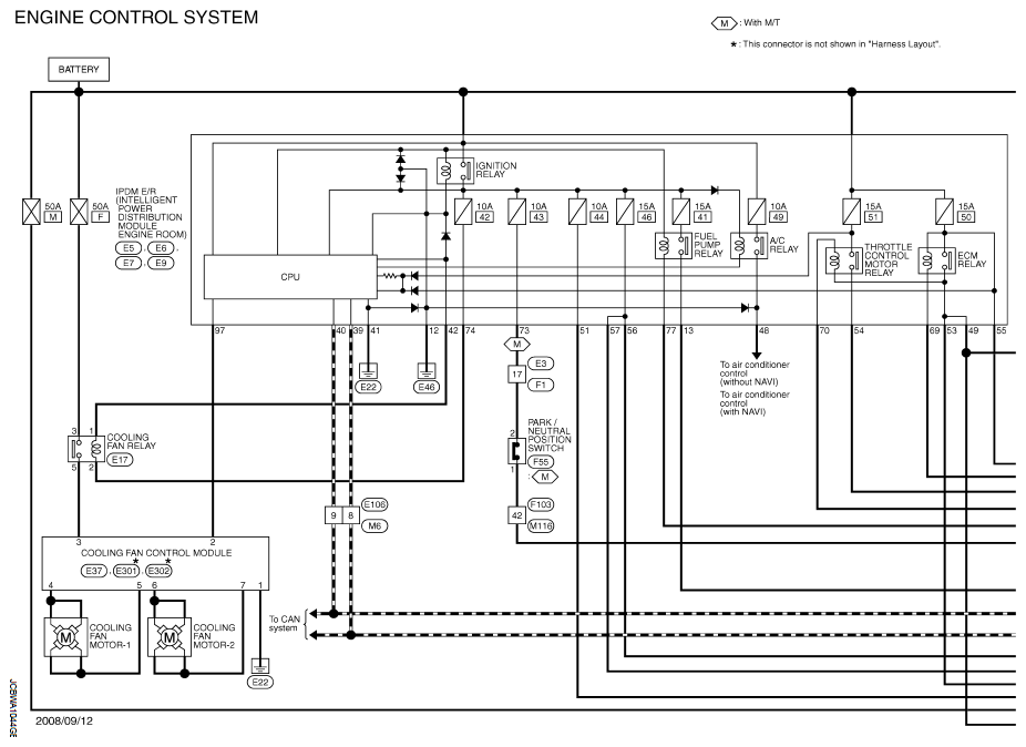
Fig 4: Engine Control System - Wiring Diagram (4 Of 6)
G06049601Courtesy of NISSAN MOTOR CO., U.S.A.
Fig 5: Engine Control System - Wiring Diagram (5 Of 6)
G06049602Courtesy of NISSAN MOTOR CO., U.S.A.
Fig 6: Engine Control System - Wiring Diagram (6 Of 6)
G06049603Courtesy of NISSAN MOTOR CO., U.S.A.
Fig 7: Identifying Engine Control System Connector Terminals (1 Of 14)
G06049604Courtesy of NISSAN MOTOR CO., U.S.A.
Fig 8: Identifying Engine Control System Connector Terminals (2 Of 14)
G06049605Courtesy of NISSAN MOTOR CO., U.S.A.
Fig 9: Identifying Engine Control System Connector Terminals (3 Of 14)
G06049606Courtesy of NISSAN MOTOR CO., U.S.A.
Fig 10: Identifying Engine Control System Connector Terminals (4 Of 14)
G06049607Courtesy of NISSAN MOTOR CO., U.S.A.
Fig 11: Identifying Engine Control System Connector Terminals (5 Of 14)
G06049608Courtesy of NISSAN MOTOR CO., U.S.A.
Fig 12: Identifying Engine Control System Connector Terminals (6 Of 14)
G06049609Courtesy of NISSAN MOTOR CO., U.S.A.
Fig 13: Identifying Engine Control System Connector Terminals (7 Of 14)
G06049610Courtesy of NISSAN MOTOR CO., U.S.A.
Fig 14: Identifying Engine Control System Connector Terminals (8 Of 14)
G06049611Courtesy of NISSAN MOTOR CO., U.S.A.
Fig 15: Identifying Engine Control System Connector Terminals (9 Of 14)
G06049612Courtesy of NISSAN MOTOR CO., U.S.A.
Fig 16: Identifying Engine Control System Connector Terminals (10 Of 14)
G06049613Courtesy of NISSAN MOTOR CO., U.S.A.
Fig 17: Identifying Engine Control System Connector Terminals (11 Of 14)
G06049614Courtesy of NISSAN MOTOR CO., U.S.A.
Fig 18: Identifying Engine Control System Connector Terminals (12 Of 14)
G06049615Courtesy of NISSAN MOTOR CO., U.S.A.
Fig 19: Identifying Engine Control System Connector Terminals (13 Of 14)
G06049616Courtesy of NISSAN MOTOR CO., U.S.A.
Fig 20: Identifying Engine Control System Connector Terminals (14 Of 14)
G06049617Courtesy of NISSAN MOTOR CO., U.S.A.