LEMON Manuals: Even more car manuals for everyone: 1960-2025
Home >> Nissan-Datsun >> 2009 >> 370Z Base, Standard >> Repair and Diagnosis >> External Pages >> Different car >> Section 31 (Security Control System) >> DTC/Circuit Diagnosis >> Intelligent Key System/Engine Start Function >> Wiring Diagram - INTELLIGENT KEY SYSTEM/ENGINE START FUNCTION -
April 5, 2026: LEMON Manuals is launched! Read the announcement.

Wiring Diagram - INTELLIGENT KEY SYSTEM/ENGINE START FUNCTION -

WARNING: This page is about a different car, the 2010 Nissan 370Z. However, it is still accessible from the selected car via links, so may be relevant.
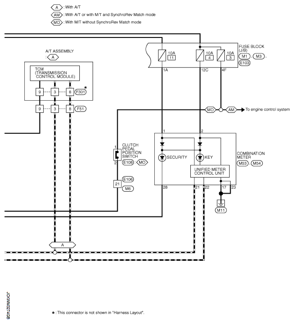
Fig 1: Intelligent Key System/Engine Start Function - Wiring Diagram (1 Of 3)
G06577196Courtesy of NISSAN MOTOR CO., U.S.A.
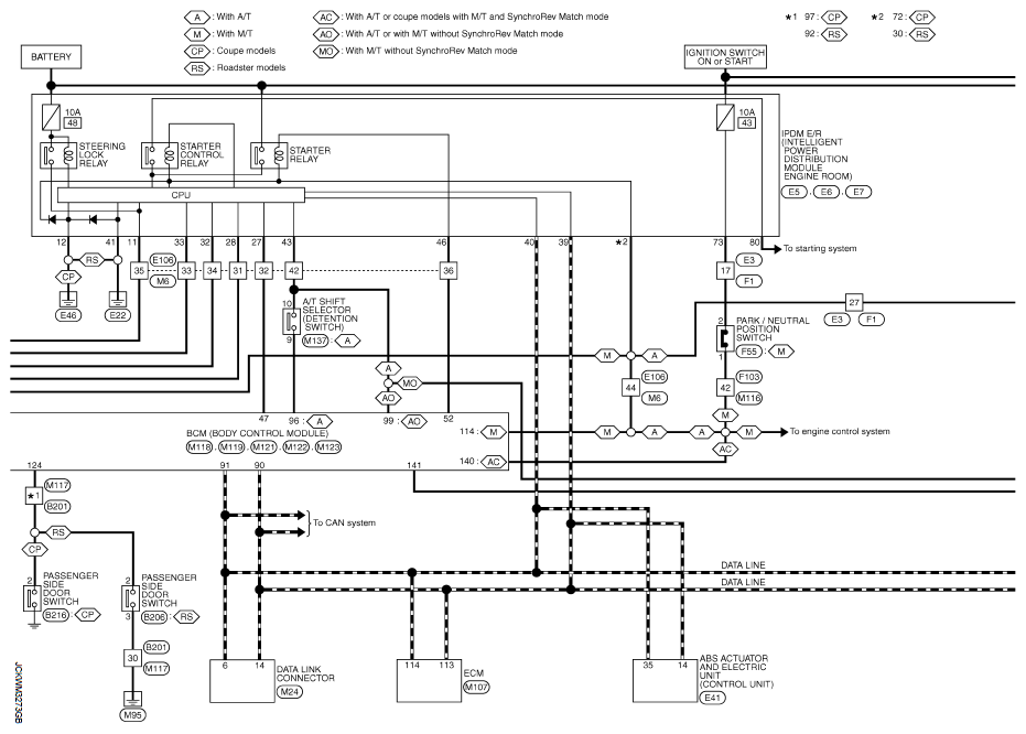
Fig 2: Intelligent Key System/Engine Start Function - Wiring Diagram (2 Of 3)
G06577197Courtesy of NISSAN MOTOR CO., U.S.A.
Fig 3: Intelligent Key System/Engine Start Function - Wiring Diagram (3 Of 3)
G06577198Courtesy of NISSAN MOTOR CO., U.S.A.
Fig 4: Intelligent Key System/Engine Start Function Connector Terminals (1 Of 11)
G06577199Courtesy of NISSAN MOTOR CO., U.S.A.
Fig 5: Intelligent Key System/Engine Start Function Connector Terminals (2 Of 11)
G06577200Courtesy of NISSAN MOTOR CO., U.S.A.
Fig 6: Intelligent Key System/Engine Start Function Connector Terminals (3 Of 11)
G06577201Courtesy of NISSAN MOTOR CO., U.S.A.
Fig 7: Intelligent Key System/Engine Start Function Connector Terminals (4 Of 11)
G06577202Courtesy of NISSAN MOTOR CO., U.S.A.
Fig 8: Intelligent Key System/Engine Start Function Connector Terminals (5 Of 11)
G06577203Courtesy of NISSAN MOTOR CO., U.S.A.
Fig 9: Intelligent Key System/Engine Start Function Connector Terminals (6 Of 11)
G06577204Courtesy of NISSAN MOTOR CO., U.S.A.
Fig 10: Intelligent Key System/Engine Start Function Connector Terminals (7 Of 11)
G06577205Courtesy of NISSAN MOTOR CO., U.S.A.
Fig 11: Intelligent Key System/Engine Start Function Connector Terminals (8 Of 11)
G06577206Courtesy of NISSAN MOTOR CO., U.S.A.
Fig 12: Intelligent Key System/Engine Start Function Connector Terminals (9 Of 11)
G06577207Courtesy of NISSAN MOTOR CO., U.S.A.
Fig 13: Intelligent Key System/Engine Start Function Connector Terminals (10 Of 11)
G06577208Courtesy of NISSAN MOTOR CO., U.S.A.
Fig 14: Intelligent Key System/Engine Start Function Connector Terminals (11 Of 11)
G06577209Courtesy of NISSAN MOTOR CO., U.S.A.