LEMON Manuals: Even more car manuals for everyone: 1960-2025
Home >> Nissan-Datsun >> 2009 >> Cube Base >> Repair and Diagnosis >> Accessories & Equipment >> Anti-Theft Systems >> Security Control System (With Intelligent Key System) >> Ecu Diagnosis Information >> BCM (Body Control Module) >> Wiring Diagram - BCM -
April 5, 2026: LEMON Manuals is launched! Read the announcement.

Wiring Diagram - BCM -

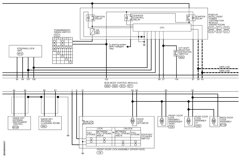
Fig 1: Body Control Module (With Intelligent Key) - Wiring Diagram (1 Of 4)
G05916970Courtesy of NISSAN MOTOR CO., U.S.A.
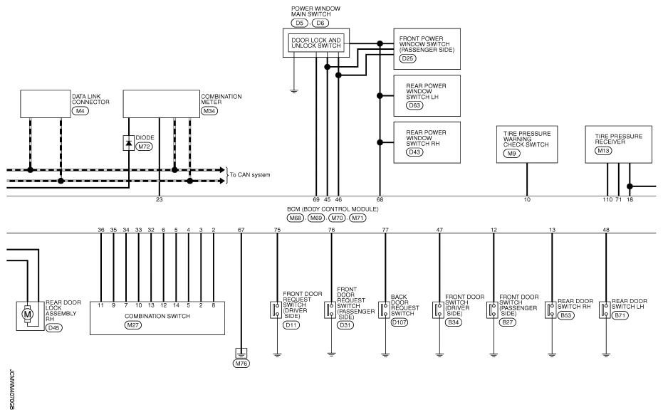
Fig 2: Body Control Module (With Intelligent Key) - Wiring Diagram (2 Of 4)
G05916971Courtesy of NISSAN MOTOR CO., U.S.A.
Fig 3: Body Control Module (With Intelligent Key) - Wiring Diagram (3 Of 4)
G05916972Courtesy of NISSAN MOTOR CO., U.S.A.
Fig 4: Body Control Module (With Intelligent Key) - Wiring Diagram (4 Of 4)
G05916973Courtesy of NISSAN MOTOR CO., U.S.A.
Fig 5: Identifying Body Control Module Connectors - With Intelligent Key
G05916974Courtesy of NISSAN MOTOR CO., U.S.A.