LEMON Manuals: Even more car manuals for everyone: 1960-2025
Home >> Nissan-Datsun >> 2009 >> Rogue SL, AWD >> Repair and Diagnosis >> Body & Frame >> Door Locks >> Security Control System (With Intelligent Key System) >> Component Diagnosis >> Intelligent Key System/Engine Start Function >> Wiring Diagram - INTELLIGENT KEY SYSTEM/ENGINE START FUNCTION -
April 5, 2026: LEMON Manuals is launched! Read the announcement.

Wiring Diagram - INTELLIGENT KEY SYSTEM/ENGINE START FUNCTION -

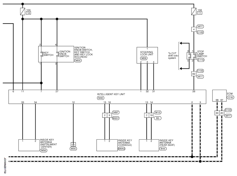
Fig 1: Intelligent Key System/Engine Start Function - Wiring Diagram (1 Of 2)
G06058976Courtesy of NISSAN MOTOR CO., U.S.A.
Fig 2: Intelligent Key System/Engine Start Function - Wiring Diagram (2 Of 2)
G06058977Courtesy of NISSAN MOTOR CO., U.S.A.
Fig 3: Intelligent Key System/Engine Start Function Connector Chart (1 Of 3)
G06058978Courtesy of NISSAN MOTOR CO., U.S.A.
Fig 4: Intelligent Key System/Engine Start Function Connector Chart (2 Of 3)
G06058979Courtesy of NISSAN MOTOR CO., U.S.A.
Fig 5: Intelligent Key System/Engine Start Function Connector Chart (3 Of 3)
G06058980Courtesy of NISSAN MOTOR CO., U.S.A.