LEMON Manuals: Even more car manuals for everyone: 1960-2025
Home >> Nissan-Datsun >> 2009 >> Sentra SE-R >> Repair and Diagnosis >> Body & Frame >> Door Locks >> Body, Lock & Security System >> Service Information >> Intelligent Key System >> Schematic
April 5, 2026: LEMON Manuals is launched! Read the announcement.

Intelligent Key System: Schematic

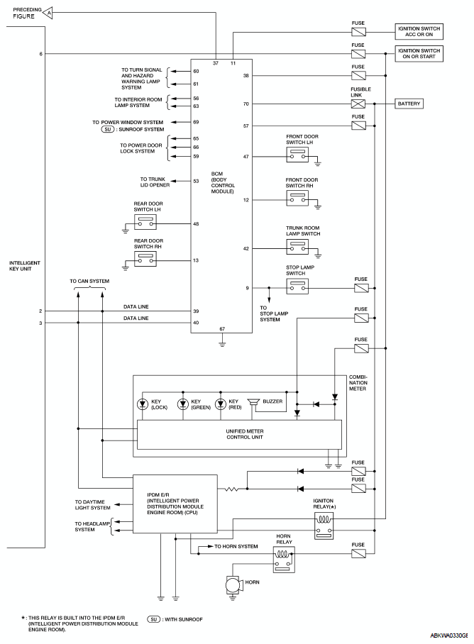
Fig 1: Intelligent Key System - Schematic Diagram (1 Of 2)
G05924662Courtesy of NISSAN MOTOR CO., U.S.A.
Fig 2: Intelligent Key System - Schematic Diagram (2 Of 2)
G05924663Courtesy of NISSAN MOTOR CO., U.S.A.