LEMON Manuals: Even more car manuals for everyone: 1960-2025
Home >> Nissan-Datsun >> 2009 >> Sentra SE-R >> Repair and Diagnosis >> Body & Frame >> Door Locks >> Body, Lock & Security System >> Service Information >> Remote Keyless Entry System >> Schematic
April 5, 2026: LEMON Manuals is launched! Read the announcement.

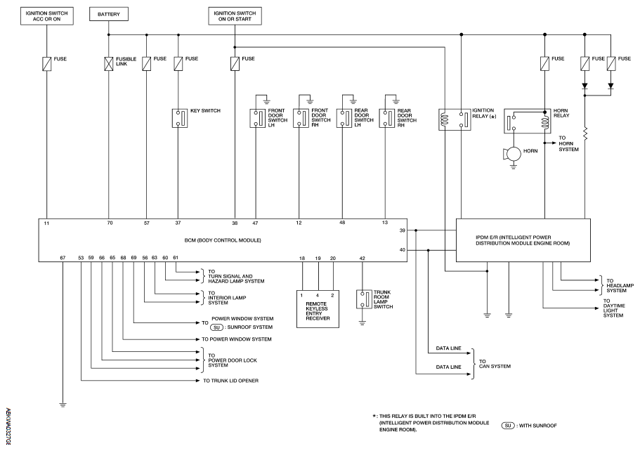
Remote Keyless Entry System: Schematic

Fig 1: Remote Keyless Entry System - Schematic Diagram
G05924627Courtesy of NISSAN MOTOR CO., U.S.A.