LEMON Manuals: Even more car manuals for everyone: 1960-2025
Home >> Nissan-Datsun >> 2009 >> Sentra SE-R >> Repair and Diagnosis >> External Pages >> Different variant/trim >> Section 10 (Engine Control System - DTCS P0137 To P0442 (MR20DE-CALIFORNIA)) >> DTC P0171 Fuel Injection System Function >> Wiring Diagram
April 5, 2026: LEMON Manuals is launched! Read the announcement.

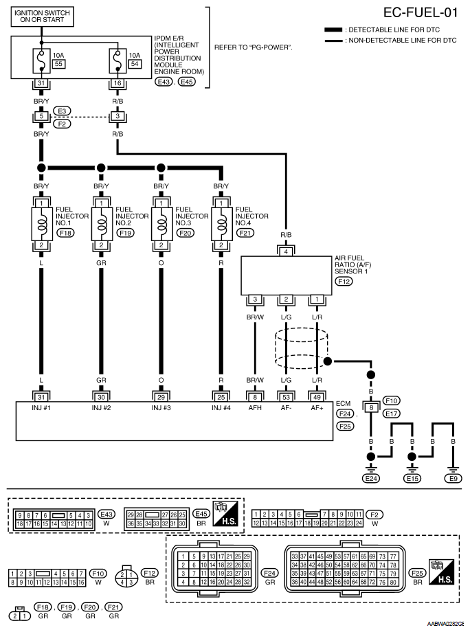
DTC P0171 Fuel Injection System Function: Wiring Diagram

WARNING: This page is about a different variant/trim than selected.
Fig 1: EC-FUEL-01 - Wiring Diagram
G05921603Courtesy of NISSAN MOTOR CO., U.S.A.

Specification data are reference values and are measured between each terminal and ground.

Pulse signal is measured by CONSULT-III.

CAUTION: Do not use ECM ground terminals when measuring input/output voltage. Doing so may result in damage to the ECM's transistor. Use a ground other than ECM terminals, such as the ground.
CONNECTOR TERMINAL REFERENCE

TERMINAL NO. WIRE COLOR ITEM CONDITION DATA (DC Voltage)
8 BR/W A/F sensor 1 heater [Engine is running] 
  • Warm-up condition 
  • Idle speed (More than 140 seconds after starting engine)
Approximately 2.9 - 8.8V(1)
G04896959Courtesy of NISSAN MOTOR CO., U.S.A.
25
29
30
31
R
O
GR
L
Fuel injector No. 4
Fuel injector No. 3
Fuel injector No. 2
Fuel injector No. 1
[Engine is running] 
  • Warm-up condition 
  • Idle speed
    NOTE: The pulse cycle changes depending on RPM at idle
BATTERY VOLTAGE (11 - 14V)(1)
G04894542Courtesy of NISSAN MOTOR CO., U.S.A.
[Engine is running] 
  • Warm-up condition 
  • Engine speed: 2, 000 RPM
BATTERY VOLTAGE (11 - 14V)(1)
G05921439Courtesy of NISSAN MOTOR CO., U.S.A.
49 L/R A/F sensor 1 [Engine is running] 
  • Warm-up condition 
  • Engine speed: 2, 000 RPM
Approximately 1.8V
Output voltage varies with air fuel ratio.
53 L/G A/F sensor 1 [Ignition switch: ON]  Approximately 2.2V
(1) Average voltage for pulse signal (Actual pulse signal can be confirmed by oscilloscope.)