LEMON Manuals: Even more car manuals for everyone: 1960-2025
Home >> Nissan-Datsun >> 2009 >> Sentra SE-R >> Repair and Diagnosis >> External Pages >> Different variant/trim >> Section 12 (Engine Control System - DTCS P0643 To P2A00 (MR20DE-CALIFORNIA)) >> DTC P2135 TP Sensor >> Wiring Diagram
April 5, 2026: LEMON Manuals is launched! Read the announcement.

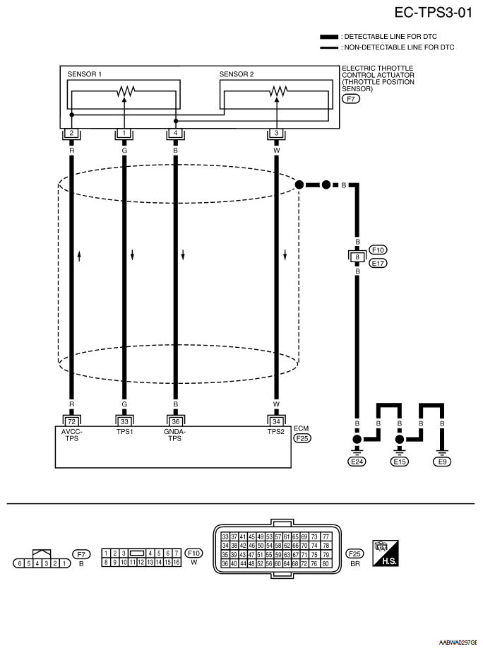
DTC P2135 TP Sensor: Wiring Diagram

WARNING: This page is about a different variant/trim than selected.
Fig 1: TP Sensor - Wiring Diagram
G05921881Courtesy of NISSAN MOTOR CO., U.S.A.

Specification data are reference values and are measured between each terminal and ground.

CAUTION: Do not use ECM ground terminals when measuring input/output voltage. Doing so may result in damage to the ECM's transistor. Use a ground other than ECM terminals, such as the ground.
CONNECTOR TERMINAL REFERENCE

TERMINAL NO. WIRE COLOR ITEM CONDITION DATA (DC Voltage)
33 G Throttle position sensor 1 [Ignition switch: ON] 
  • Engine stopped
  • Shift lever: D (CVT), 1st (M/T)
  • Accelerator pedal: Fully released
More than 0.36V
[Ignition switch: ON] 
  • Engine stopped
  • Shift lever: D (CVT), 1st (M/T)
  • Accelerator pedal: Fully depressed
Less than 4.75V
34 W Throttle position sensor 2 [Ignition switch: ON] 
  • Engine stopped
  • Shift lever: D (CVT), 1st (M/T)
  • Accelerator pedal: Fully released
Less than 4.75V
[Ignition switch: ON] 
  • Engine stopped
  • Shift lever: D (CVT), 1st (M/T)
  • Accelerator pedal: Fully depressed
More than 0.36V
36 B Sensor ground (Throttle position sensor) [Engine is running] 
  • Warm-up condition 
  • Idle speed
Approximately 0V
72 R Sensor power supply (Throttle position sensor) [Ignition switch: ON]  Approximately 5V