LEMON Manuals: Even more car manuals for everyone: 1960-2025
Home >> Nissan-Datsun >> 2009 >> Versa Base, Automatic >> Repair and Diagnosis >> Engine Performance >> System >> Engine Control System - DTCS U1000 To P0171 >> DTC P0171 Fuel Injection System Function >> Wiring Diagram
April 5, 2026: LEMON Manuals is launched! Read the announcement.

DTC P0171 Fuel Injection System Function: Wiring Diagram

NOTE: For references to "PG-Power", see POWER SUPPLY, GROUND & CIRCUIT ELEMENTS article.
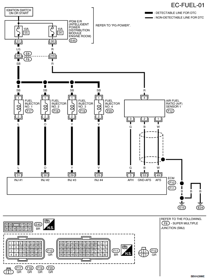
Fig 1: Fuel Injection - Wiring Diagram
G05932697Courtesy of NISSAN MOTOR CO., U.S.A.

Specification data are reference values and are measured between each terminal and ground.

Pulse signal is measured by CONSULT-III.

CAUTION: Do not use ECM ground terminals when measuring input/output voltage. Doing so may result in damage to the ECM's transistor. Use a ground other than ECM terminals, such as the ground.
VOLTAGE REFERENCE CHART

TERMINAL NO. WIRE COLOR ITEM CONDITION DATA (DC Voltage)
3 G A/F sensor 1 heater [Engine is running] 
  • Warm-up condition 
  • Idle speed (More than 140 seconds after starting engine)
Approximately 2.9 - 8.8V(1)
G05932698Courtesy of NISSAN MOTOR CO., U.S.A.
25
29
30
31
V
Y
O
L
Fuel injector No. 4
Fuel injector No. 3
Fuel injector No. 2
Fuel injector No. 1
[Engine is running] 
  • Warm-up condition 
  • Idle speed
    NOTE: The pulse cycle changes depending on RPM at idle
BATTERY VOLTAGE (11 - 14V)(1)
G05932699Courtesy of NISSAN MOTOR CO., U.S.A.
[Engine is running] 
  • Warm-up condition 
  • Engine speed: 2, 000 RPM
BATTERY VOLTAGE (11 - 14V)(1)
G05932700Courtesy of NISSAN MOTOR CO., U.S.A.
49 W A/F sensor 1 [Engine is running] 
  • Warm-up condition 
  • Engine speed: 2, 000 RPM
Approximately 1.8V
Output voltage varies with air fuel ratio.
53 B A/F sensor 1 [Ignition switch: ON]  Approximately 2.2V
(1) Average voltage for pulse signal (Actual pulse signal can be confirmed by oscilloscope.)