LEMON Manuals: Even more car manuals for everyone: 1960-2025
Home >> Nissan-Datsun >> 2009 >> Versa Base, Standard >> Repair and Diagnosis >> Engine Performance >> System >> Engine Control System - Component Testing >> ASCD Indicator >> Wiring Diagram
April 5, 2026: LEMON Manuals is launched! Read the announcement.

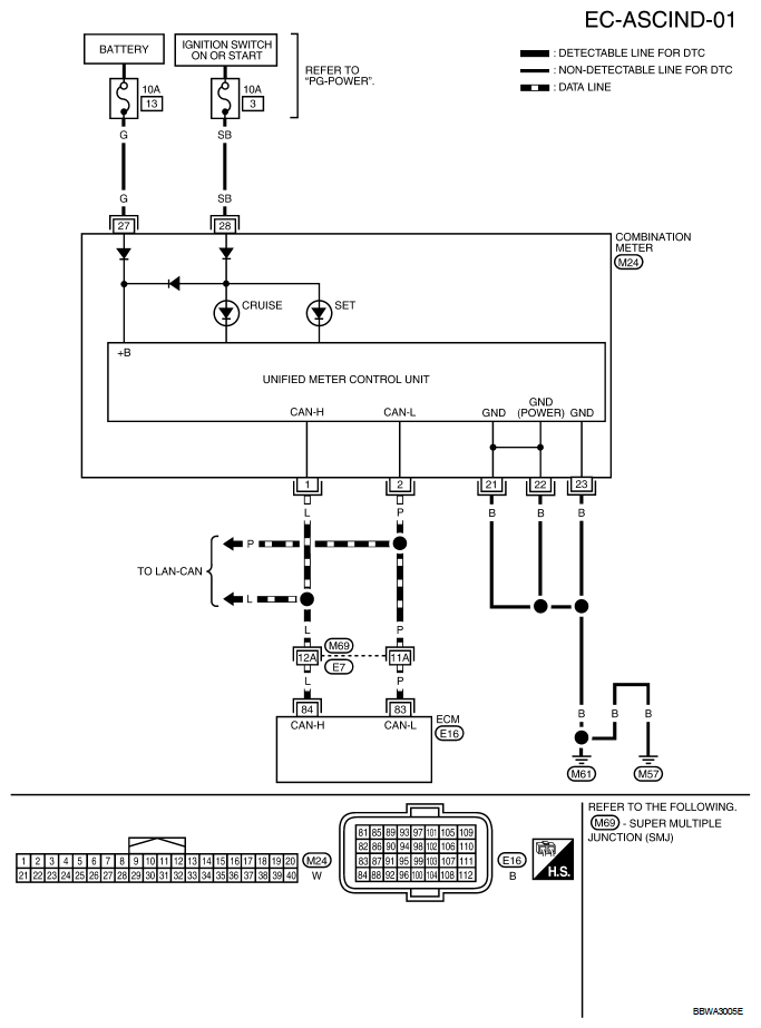
ASCD Indicator: Wiring Diagram

NOTE: For references to "PG-Power", see POWER SUPPLY, GROUND & CIRCUIT ELEMENTS article.
Fig 1: ASCD Indicator - Wiring Diagram
G05932985Courtesy of NISSAN MOTOR CO., U.S.A.