LEMON Manuals: Even more car manuals for everyone: 1960-2025
Home >> Nissan-Datsun >> 2011 >> Leaf ELE-Electric Engine >> Repair and Diagnosis >> Electric Drive Systems >> Control Module >> Diagrams >> Electrical Diagrams
April 5, 2026: LEMON Manuals is launched! Read the announcement.

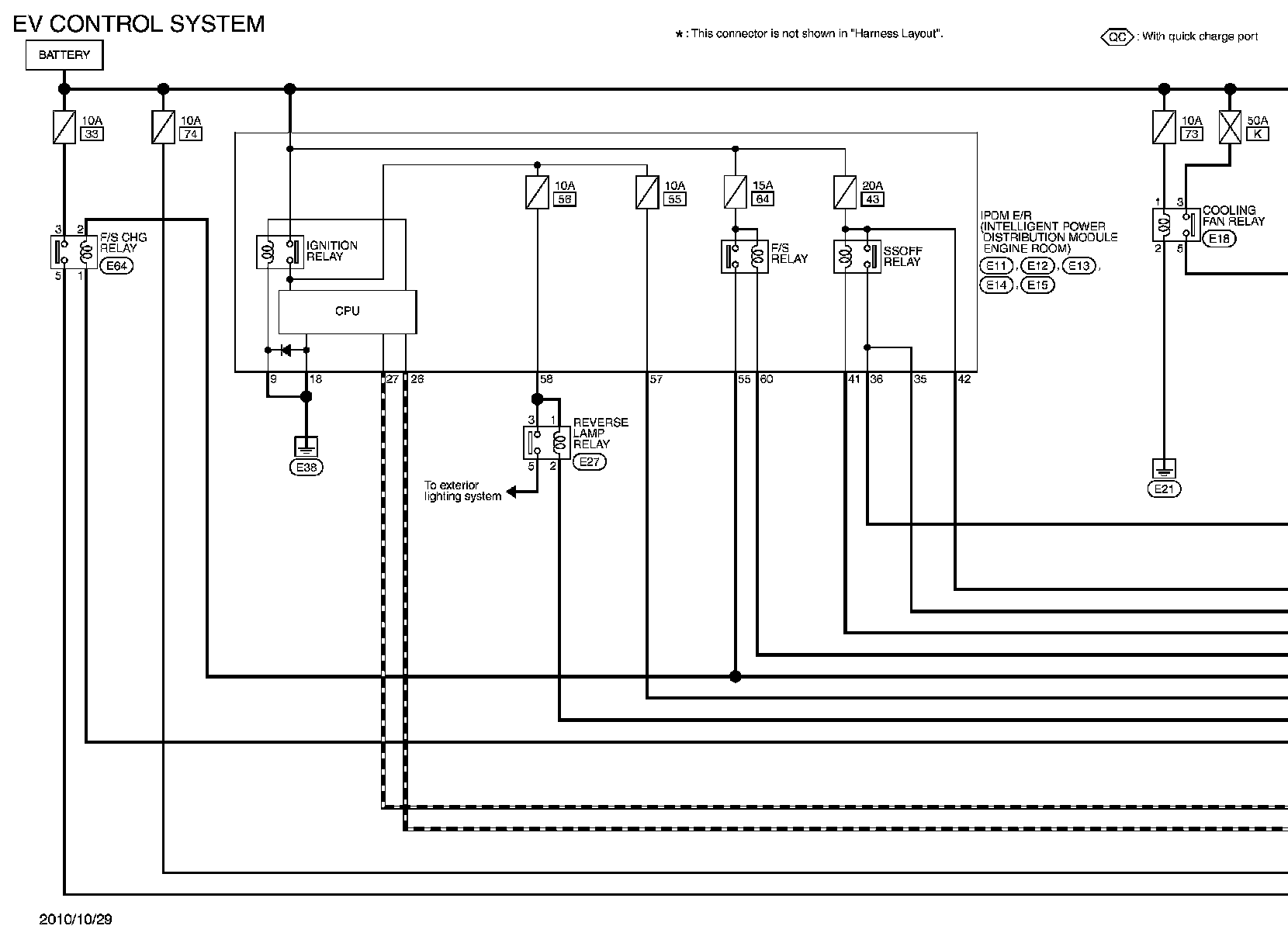
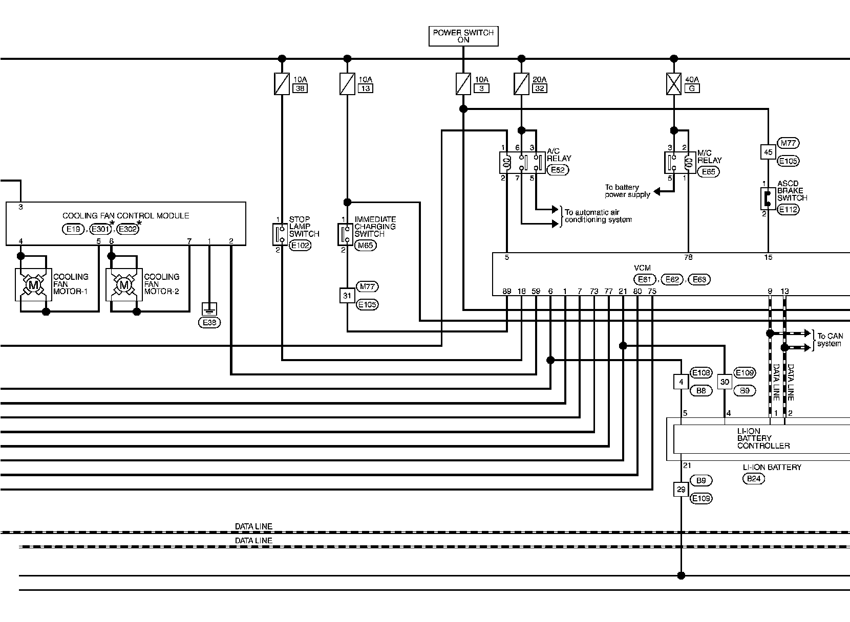
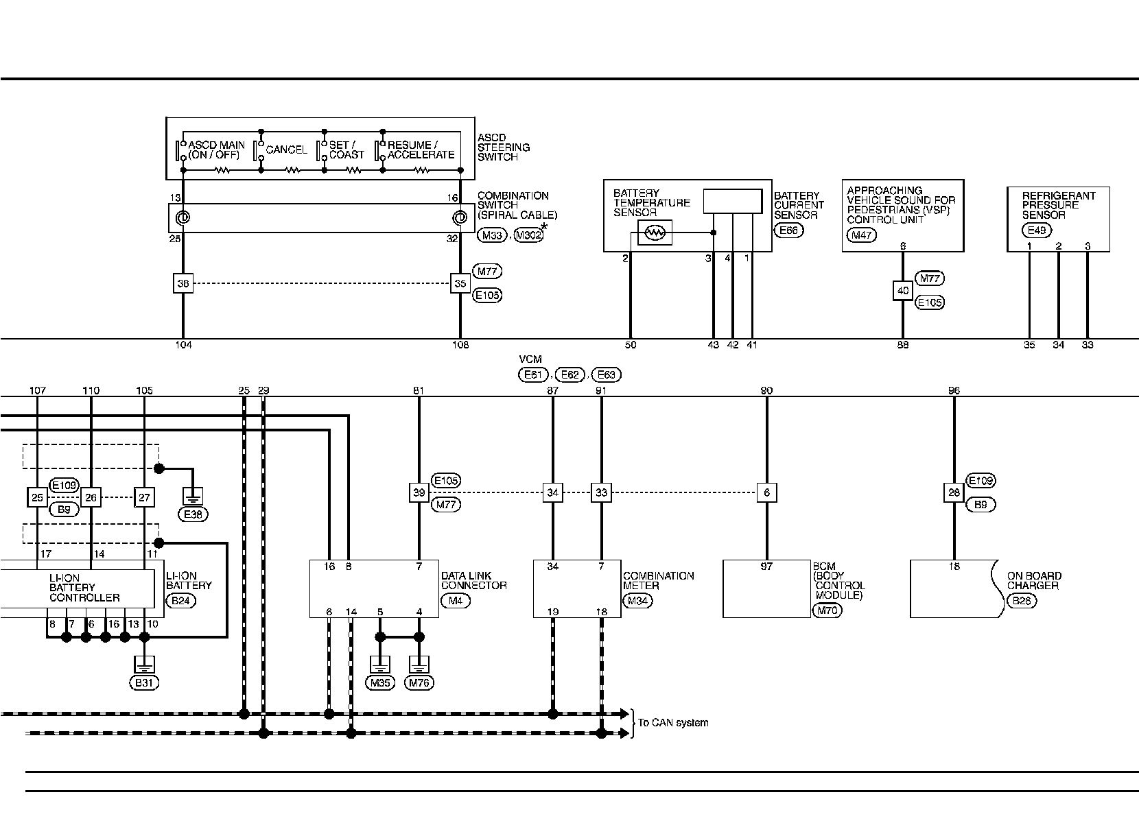
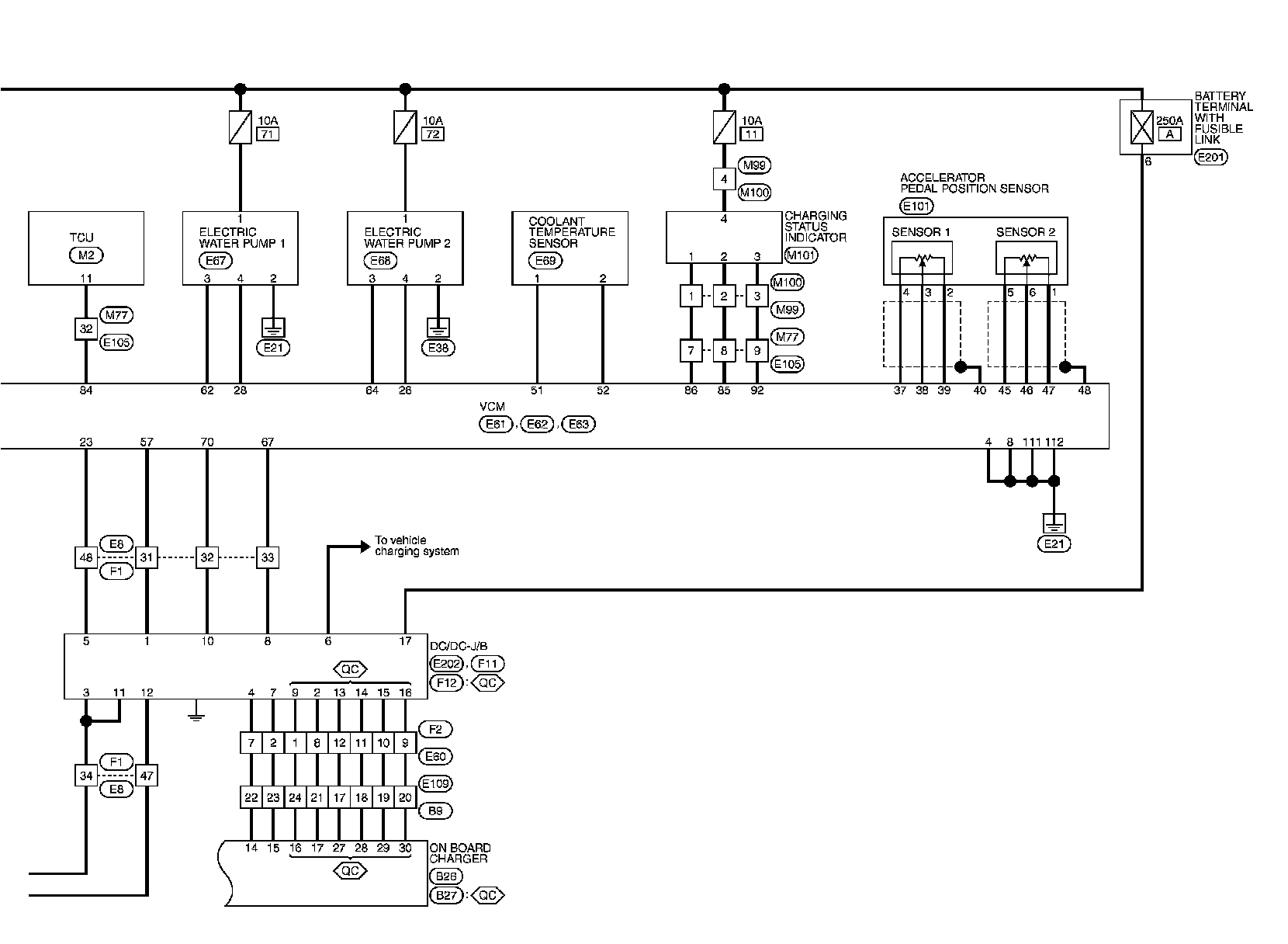
Electrical Diagrams




VCM

Wiring Diagram

For connector terminal arrangements, harness layouts, and alphabets in a(option abbreviation; if not described in wiring diagram), refer to "Connector Information" Connector Information.