Valve Operation [VDC Function, TCS Function, Brake Limited Slip Differential (BLSD) Function And Brake Assist Function
The control unit built in the ABS actuator and electric unit (control unit) controls fluid pressure of the brake calipers, respectively, by operating each valve.
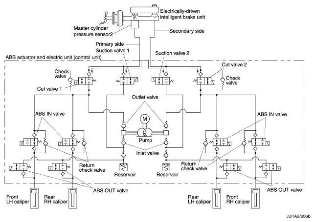
When VDC Function, TSC Function, Brake Limited Slip Differential (BLSD) Function and Brake Assist Function are in Operation (During Pressure Increases)
| Name | Not activated | During pressure increases |
|---|---|---|
| Cut valve 1 | Power supply is not supplied (open) | Power supply is supplied (close) |
| Cut valve 2 | Power supply is not supplied (open) | Power supply is supplied (close) |
| Suction valve 1 | Power supply is not supplied (close) | Power supply is supplied (open) |
| Suction valve 2 | Power supply is not supplied (close) | Power supply is supplied (open) |
| ABS IN valve | Power supply is not supplied (open) | Power supply is not supplied (open) |
| ABS OUT valve | Power supply is not supplied (close) | Power supply is not supplied (close) |
| Each brake caliper (fluid pressure) | - | Pressure increases |
During pressure front RH brake caliper increases
- Brake fluid is conveyed to the pump from the electrically-driven intelligent brake unit through suction valve 2 and is pressurized by the pump operation. The pressurized brake fluid is supplied to the front RH brake caliper through the ABS IN valve. For the left caliper, brake fluid pressure is maintained because the pressurization is unnecessary. The pressurization for the left caliper is controlled separately from the right caliper.
During pressure front LH brake caliper increases
- Brake fluid is conveyed to the pump from the electrically-driven intelligent brake unit through suction valve 1 and is pressurized by the pump operation. The pressurized brake fluid is supplied to the front LH brake caliper through the ABS IN valve. For the right caliper, brake fluid pressure is maintained because the pressurization is unnecessary. The pressurization for the right caliper is controlled separately from the left caliper.
During pressure rear RH brake caliper increases
- Brake fluid is conveyed to the pump from the electrically-driven intelligent brake unit through suction valve 1 and is pressurized by the pump operation. The pressurized brake fluid is supplied to the rear RH brake caliper through the ABS IN valve. For the left caliper, brake fluid pressure is maintained because the pressurization is unnecessary. The pressurization for the left caliper is controlled separately from the right caliper.
During pressure rear LH brake caliper increases
- Brake fluid is conveyed to the pump from the electrically-driven intelligent brake unit through suction valve 2 and is pressurized by the pump operation. The pressurized brake fluid is supplied to the rear LH brake caliper through the ABS IN valve. For the right caliper, brake fluid pressure is maintained because the pressurization is unnecessary. The pressurization for the right caliper is controlled separately from the left caliper.
When VDC Function, TSC Function, Brake Limited Slip Differential (BLSD) Function Brake Assist Function are Starts
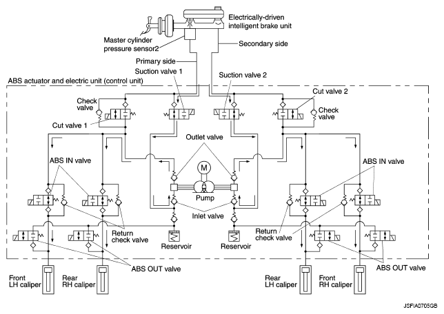
Operating (During Pressure Holds)
| Name | Not activated | During pressure holds |
|---|---|---|
| Cut valve 1 | Power supply is not supplied (open) | Power supply is supplied (close) |
| Cut valve 2 | Power supply is not supplied (open) | Power supply is supplied (close) |
| Suction valve 1 | Power supply is not supplied (close) | Power supply is not supplied (close) |
| Suction valve 2 | Power supply is not supplied (close) | Power supply is not supplied (close) |
| ABS IN valve | Power supply is not supplied (open) | Power supply is not supplied (open) |
| ABS OUT valve | Power supply is not supplied (close) | Power supply is not supplied (close) |
| Each brake caliper (fluid pressure) | - | Pressure holds |
During pressure front RH brake caliper holds
- Since the cut valve 2 and the suction valve 2 are closed, the front RH brake caliper, electrically-driven intelligent brake unit, and reservoir are blocked. This maintains fluid pressure applied on the front RH brake caliper. The pressurization for the left caliper is controlled separately from the right caliper.
During pressure front LH brake caliper holds
- Since the cut valve 1 and the suction valve 1 are closed, the front LH brake caliper, electrically-driven intelligent brake unit, and reservoir are blocked. This maintains fluid pressure applied on the front LH brake caliper. The pressurization for the right caliper is controlled separately from the left caliper.
During pressure rear RH brake caliper holds
- Since the cut valve 1 and the suction valve 1 are closed, the rear RH brake caliper, electrically-driven intelligent brake unit, and reservoir are blocked. This maintains fluid pressure applied on the rear RH brake caliper. The pressurization for the left caliper is controlled separately from the right caliper.
During pressure rear LH brake caliper holds
- Since the cut valve 2 and the suction valve 2 are closed, the rear LH brake caliper, electrically-driven intelligent brake unit, and reservoir are blocked. This maintains fluid pressure applied on the rear LH brake caliper. The pressurization for the right caliper is controlled separately from the left caliper.
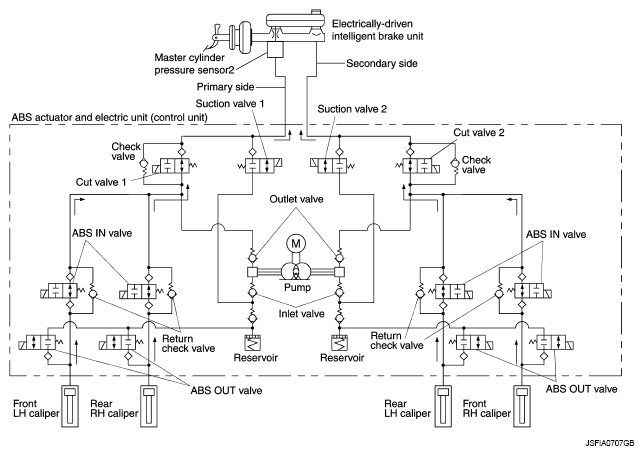
When VDC Function, TSC Function, Brake Limited Slip Differential (BLSD) Function and Brake Assist Function are in Operation (During Pressure Decreases)
| Name | Not activated | During pressure decreases |
|---|---|---|
| Cut valve 1 | Power supply is not supplied (open) | Power supply is not supplied (open) |
| Cut valve 2 | Power supply is not supplied (open) | Power supply is not supplied (open) |
| Suction valve 1 | Power supply is not supplied (close) | Power supply is not supplied (close) |
| Suction valve 2 | Power supply is not supplied (close) | Power supply is not supplied (close) |
| ABS IN valve | Power supply is not supplied (open) | Power supply is not supplied (open) |
| ABS OUT valve | Power supply is not supplied (close) | Power supply is not supplied (close) |
| Each brake caliper (fluid pressure) | - | Pressure decreases |
During pressure front RH brake caliper decreases
- Since the suction valve 2 and the ABS OUT valve close and the cut valve 2 and the ABS IN valve open, the fluid pressure applied on the front RH brake caliper is reduced by supplying the fluid pressure to the electrically-driven intelligent brake unit via the ABS IN valve and the cut valve 2. The pressurization for the right caliper is controlled separately from the left caliper.
During pressure front LH brake caliper decreases
- Since the suction valve 1 and the ABS OUT valve close and the cut valve 1 and the ABS IN valve open, the fluid pressure applied on the front LH brake caliper is reduced by supplying the fluid pressure to the electrically-driven intelligent brake unit via the ABS IN valve and the cut valve 2. The pressurization for the left caliper is controlled separately from the right caliper.
During pressure rear RH brake caliper decreases
- Since the suction valve 1 and the ABS OUT valve close and the cut valve 1 and the ABS IN valve open, the fluid pressure applied on the rear RH brake caliper is reduced by supplying the fluid pressure to the electrically-driven intelligent brake unit via the ABS IN valve and the cut valve 2. The pressurization for the right caliper is controlled separately from the left caliper.
During pressure rear LH brake caliper decreases
- Since the suction valve 2 and the ABS OUT valve close and the cut valve 2 and the ABS IN valve open, the fluid pressure applied on the rear LH brake caliper is reduced by supplying the fluid pressure to the electrically-driven intelligent brake unit via the ABS IN valve and the cut valve 2. The pressurization for the left caliper is controlled separately from the right caliper.
Component Parts and Function
| Component | Function |
|---|---|
| Pump | Returns the brake fluid reserved in reservoir to electrically-driven intelligent brake unit by reducing pressure. |
| Motor | Activates the pump according to signals from ABS actuator and electric unit (control unit). |
| Cut valve 1 Cut valve 2 |
Shuts off the ordinary brake line from electrically-driven intelligent brake unit. |
| Suction valve 1 Suction valve 2 |
Supplies the brake fluid from electrically-driven intelligent brake unit to the pump. |
| ABS IN valve | Switches the fluid pressure line to increase or hold according to signals from control unit. |
| ABS OUT valve | Switches the fluid pressure line to increase, hold or decrease according to signals from control unit. |
| Inlet valve | Brake fluid sucked from the reservoir by the pump does not backflow. |
| Outlet valve | Brake fluid discharged from the pump does not backflow. |
| Return check valve | Returns the brake fluid from brake caliper and wheel cylinder to electrically-driven intelligent brake unit by bypassing orifice of each valve when brake is released. |
| Reservoir | Temporarily reserves the brake fluid drained from brake caliper, so that pressure efficiently decreases when decreasing pressure of brake caliper and wheel cylinder. |
| Master cylinder pressure sensor2 | Detects the brake fluid pressure and transmits signal to ABS actuator and electric unit (control unit). |