LEMON Manuals: Even more car manuals for everyone: 1960-2025
Home >> Nissan-Datsun >> 2011 >> Quest SL >> Repair and Diagnosis (Single Page) >> Heating, Ventilation & A/C (HVAC) >> HVAC Control Systems >> Heater & Air Conditioning Control System >> Automatic Air Conditioning >> System Description >> System >> ACCS (Advanced Climate Control System) >> ACCS (ADVANCED CLIMATE CONTROL SYSTEM) : Schematic
April 5, 2026: LEMON Manuals is launched! Read the announcement.

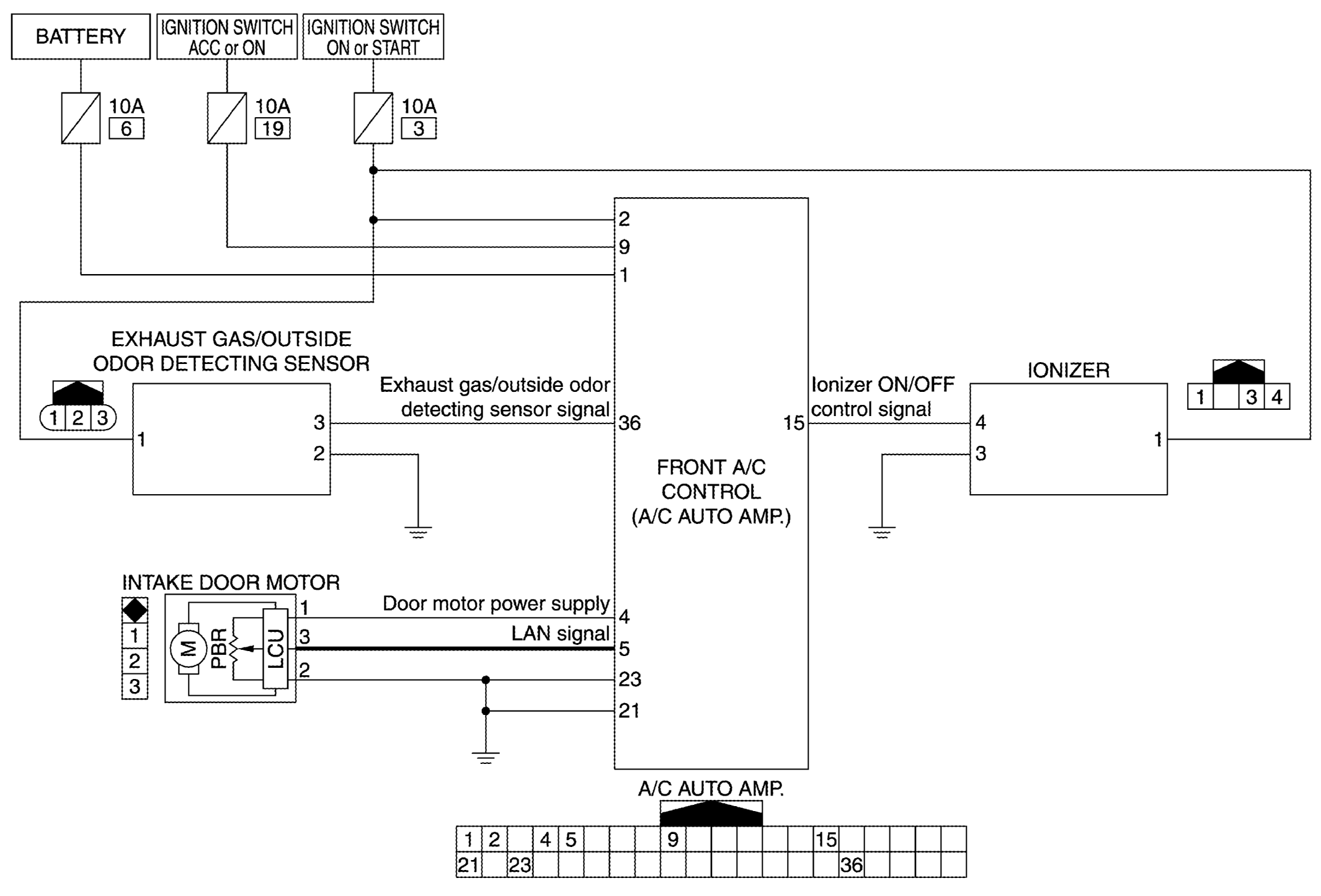
ACCS (ADVANCED CLIMATE CONTROL SYSTEM) : Schematic

Fig 1: Advanced Climate Control System Schematic
G07052099Courtesy of NISSAN MOTOR CO., U.S.A.