LEMON Manuals: Even more car manuals for everyone: 1960-2025
Home >> Nissan-Datsun >> 2011 >> Rogue S, AWD >> Repair and Diagnosis >> Body & Frame >> Door Locks >> Security Control System >> With Intelligent Key System >> DTC/Circuit Diagnosis >> Intelligent Key System/Engine Start Function >> Wiring Diagram - INTELLIGENT KEY SYSTEM/ENGINE START FUNCTION -
April 5, 2026: LEMON Manuals is launched! Read the announcement.

Wiring Diagram - INTELLIGENT KEY SYSTEM/ENGINE START FUNCTION -

Fig 1: Intelligent Key System/Engine Start Function - Circuit Diagram (1 Of 2)
G07135552Courtesy of NISSAN MOTOR CO., U.S.A.
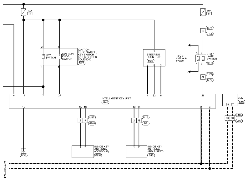
Fig 2: Intelligent Key System/Engine Start Function - Circuit Diagram (2 Of 2)
G07135553Courtesy of NISSAN MOTOR CO., U.S.A.
Fig 3: Intelligent Key System/Engine Start Function Connector End Views (1 Of 4)
G07135554Courtesy of NISSAN MOTOR CO., U.S.A.
Fig 4: Intelligent Key System/Engine Start Function Connector End Views (2 Of 4)
G07135555Courtesy of NISSAN MOTOR CO., U.S.A.
Fig 5: Intelligent Key System/Engine Start Function Connector End Views (3 Of 4)
G07135556Courtesy of NISSAN MOTOR CO., U.S.A.
Fig 6: Intelligent Key System/Engine Start Function Connector End Views (4 Of 4)
G07135557Courtesy of NISSAN MOTOR CO., U.S.A.