LEMON Manuals: Even more car manuals for everyone: 1960-2025
Home >> Nissan-Datsun >> 2011 >> Sentra SE-R >> Repair and Diagnosis (Single Page) >> External Pages >> Different variant/trim >> Section 11 (Engine Control System - Component Testing (MR20DE) (CALIFORNIA)) >> Fuel Injector >> Wiring Diagram
April 5, 2026: LEMON Manuals is launched! Read the announcement.

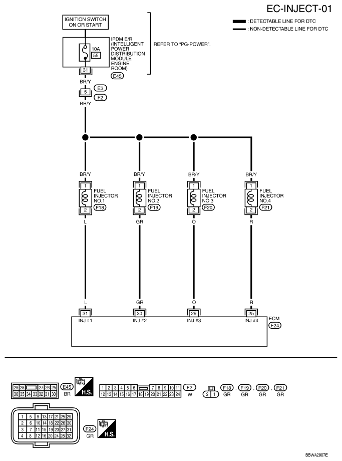
Fuel Injector: Wiring Diagram

WARNING: This page is about a different variant/trim than selected.
Fig 1: Wiring Diagram - EC-INJECT-01
G07138366Courtesy of NISSAN MOTOR CO., U.S.A.

Specification data are reference values and are measured between each terminal and ground.

Pulse signal is measured by CONSULT-III.

CAUTION: Do not use ECM ground terminals when measuring input/output voltage. Doing so may result in damage to the ECM's transistor. Use a ground other than ECM terminals, such as the ground.
TERMINALS CONDITION CHART

TERMINAL NO. WIRE COLOR ITEM CONDITION DATA (DC Voltage)
25
29
30
31
R
O
GR
L
Fuel injector No. 4
Fuel injector No. 3
Fuel injector No. 2
Fuel injector No. 1
[Engine is running] 
  • Warm-up condition 
  • Idle speed
NOTE: The pulse cycle changes depending on rpm at idle
BATTERY VOLTAGE (11 - 14 V)(1)
G07138367Courtesy of NISSAN MOTOR CO., U.S.A.
[Engine is running] 
  • Warm-up condition 
  • Engine speed: 2, 000 rpm
BATTERY VOLTAGE (11 - 14 V)(1)
G07138368Courtesy of NISSAN MOTOR CO., U.S.A.
(1) Average voltage for pulse signal (Actual pulse signal can be confirmed by oscilloscope.)