LEMON Manuals: Even more car manuals for everyone: 1960-2025
Home >> Nissan-Datsun >> 2011 >> Sentra SE-R >> Repair and Diagnosis >> Accessories & Equipment >> Drivers Assistance Systems - ADAS >> Driver Information System >> Service Information >> CVT Indicator >> Schematic
April 5, 2026: LEMON Manuals is launched! Read the announcement.

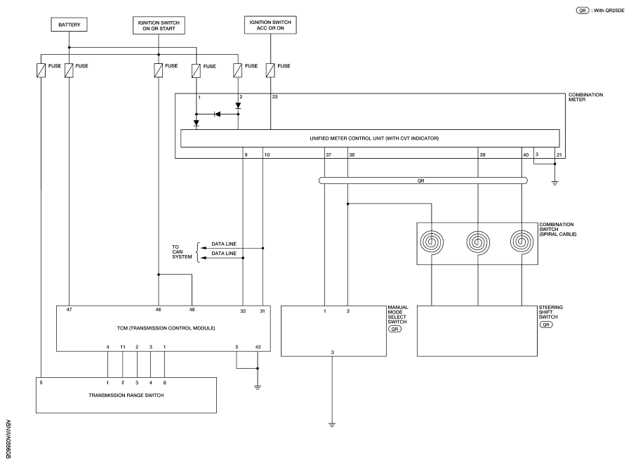
CVT Indicator: Schematic

Fig 1: CVT Indicator - Schematic Diagram
G07143323Courtesy of NISSAN MOTOR CO., U.S.A.