LEMON Manuals: Even more car manuals for everyone: 1960-2025
Home >> Nissan-Datsun >> 2011 >> Versa SL, 4D Hatchback >> Repair and Diagnosis >> Engine Performance >> System >> Engine Control System - Introduction (MR18DE) >> Service Information >> Engine Control System >> Schematic
April 5, 2026: LEMON Manuals is launched! Read the announcement.

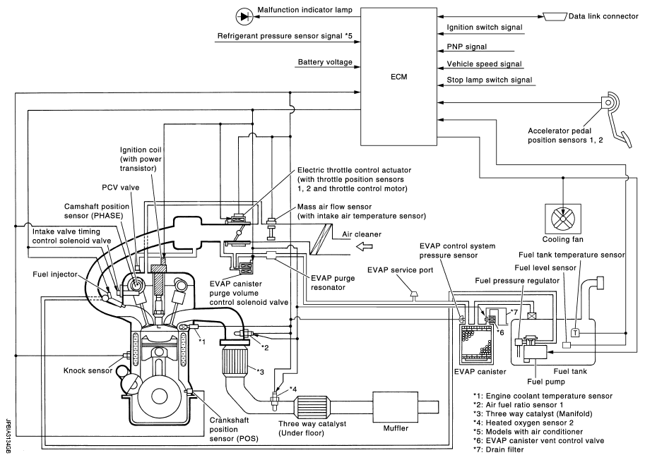
Engine Control System: Schematic

Fig 1: Engine Control System Schematic
G06536192Courtesy of NISSAN MOTOR CO., U.S.A.