LEMON Manuals: Even more car manuals for everyone: 1960-2025
Home >> Nissan-Datsun >> 2012 >> 370Z Base, 2D Convertible, Automatic Trans >> Repair and Diagnosis >> Engine Performance >> System >> Engine Control System - System And Component Testing >> Ecu Diagnosis Information >> VVEL Control Module >> Wiring Diagram - ENGINE CONTROL SYSTEM -
April 5, 2026: LEMON Manuals is launched! Read the announcement.

Wiring Diagram - ENGINE CONTROL SYSTEM -

For connector terminal arrangements, harness layouts, and alphabets in a "diamond shape" symbol (option abbreviation; if not described in wiring diagram), refer to CONNECTOR INFORMATION .

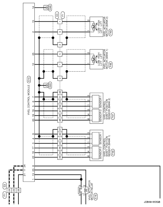
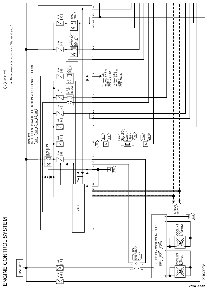
Fig 1: Identifying Engine Control System Wiring Diagram (1 Of 6)
G08102829Courtesy of NISSAN NORTH AMERICA, INC.
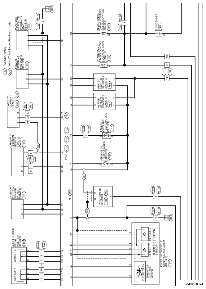
Fig 2: Identifying Engine Control System Wiring Diagram (2 Of 6)
G08102830Courtesy of NISSAN NORTH AMERICA, INC.
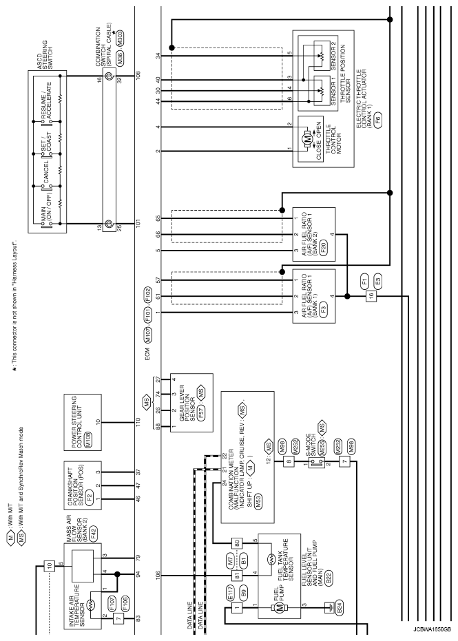
Fig 3: Identifying Engine Control System Wiring Diagram (3 Of 6)
G08102831Courtesy of NISSAN NORTH AMERICA, INC.
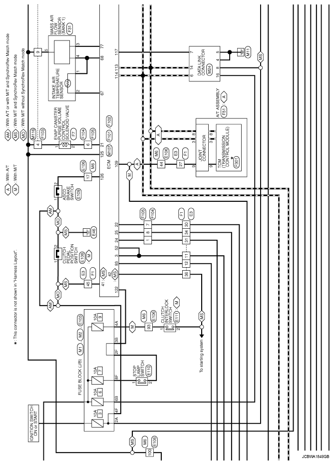
Fig 4: Identifying Engine Control System Wiring Diagram (4 Of 6)
G08102832Courtesy of NISSAN NORTH AMERICA, INC.
Fig 5: Identifying Engine Control System Wiring Diagram (5 Of 6)
G08102833Courtesy of NISSAN NORTH AMERICA, INC.
Fig 6: Identifying Engine Control System Wiring Diagram (6 Of 6)
G08102834Courtesy of NISSAN NORTH AMERICA, INC.