LEMON Manuals: Even more car manuals for everyone: 1960-2025
Home >> Nissan-Datsun >> 2012 >> Altima SL >> Repair and Diagnosis >> External Pages >> Different variant/trim >> Section 12 (Security Control System (Coupe)) >> Wiring Diagram >> Intelligent Key System/Engine Start Function >> Wiring Diagram - Coupe
April 5, 2026: LEMON Manuals is launched! Read the announcement.

Wiring Diagram - Coupe

WARNING: This page is about a different variant/trim than selected.
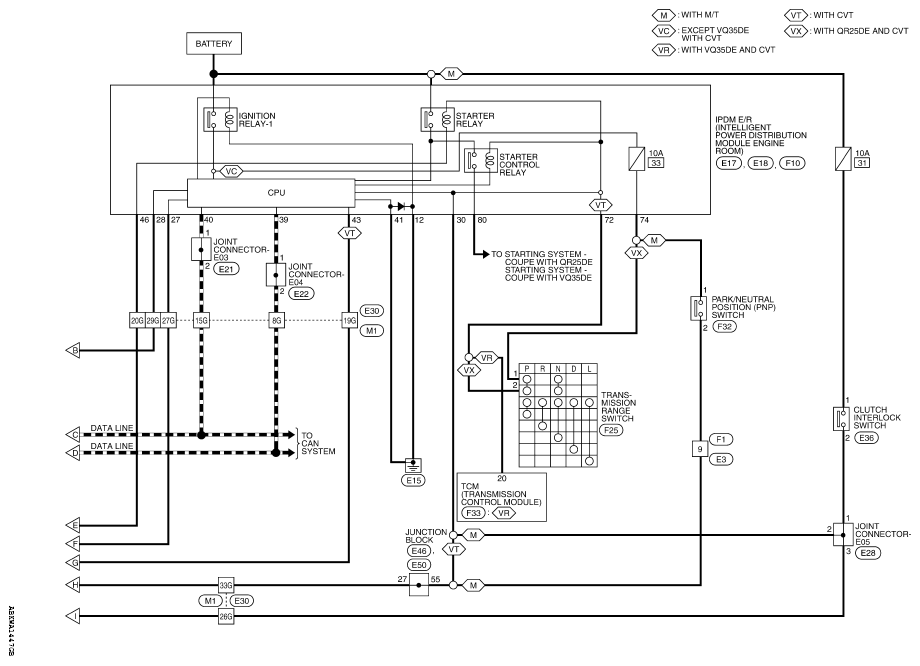
Fig 1: Intelligent Key System/Engine Start Function - Coupe - Wiring Diagram (1 Of 3)
G06999773Courtesy of NISSAN NORTH AMERICA, INC.
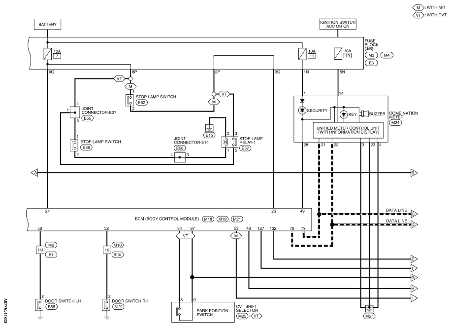
Fig 2: Intelligent Key System/Engine Start Function - Coupe - Wiring Diagram (2 Of 3)
G08126497Courtesy of NISSAN NORTH AMERICA, INC.
Fig 3: Intelligent Key System/Engine Start Function - Coupe - Wiring Diagram (3 Of 3)
G08126498Courtesy of NISSAN NORTH AMERICA, INC.