LEMON Manuals: Even more car manuals for everyone: 1960-2025
Home >> Nissan-Datsun >> 2012 >> Cube Base >> Repair and Diagnosis >> External Pages >> Different car >> Section 120 (VSA System Components) >> VSA Modulator-Control Unit Removal and Installation >> Removal
April 5, 2026: LEMON Manuals is launched! Read the announcement.

VSA Modulator-Control Unit Removal and Installation: Removal

WARNING: This page is about a different car, the 2013 Acura MDX, 2012 Acura MDX, 2011 Acura MDX, and 2010 Acura MDX. However, it is still accessible from the selected car via links, so may be relevant.
  1. Turn the ignition switch to LOCK (0).
  2. Remove the air cleaner box (see AIR CLEANER REMOVAL/INSTALLATION ).
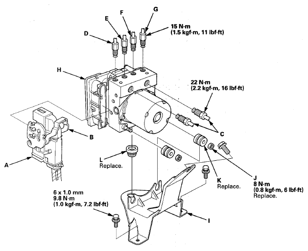
  3. Disconnect the VSA modulator-control unit 46P connector (A) by pulling up the lock (B); the connector disconnects itself.
    Fig 1: Exploded View Of VSA Modulator-Control Unit
    G08053169Courtesy of AMERICAN HONDA MOTOR CO., INC.
  4. Disconnect the six brake lines from the VSA modulator-control unit.
    NOTE: Brake lines are connected to the master cylinder (C) and to the right-front (D), the left-rear (E), the right-rear (F), and the left-front (G) brake systems.
  5. Remove the VSA modulator-control unit (H) with the bracket (I) from the body.
  6. Remove the locknuts (J), then remove the VSA modulator-control unit from the bracket.
    NOTE: During installation, install a new bushing (K) and new grommets (L). Otherwise, unwanted noise and vibration may be transmitted to the vehicle.