LEMON Manuals: Even more car manuals for everyone: 1960-2025
Home >> Nissan-Datsun >> 2012 >> Cube Base >> Repair and Diagnosis >> External Pages >> Different car >> Section 147 (Navigation System) >> Voice Control Switch Replacement
April 5, 2026: LEMON Manuals is launched! Read the announcement.

Voice Control Switch Replacement

WARNING: This page is about a different car, the 2013 Acura MDX, 2012 Acura MDX, 2011 Acura MDX, and 2010 Acura MDX. However, it is still accessible from the selected car via links, so may be relevant.

SRS components are located in this area. Review the SRS component location (see COMPONENT LOCATION INDEX ), and the precautions and procedures (see PRECAUTIONS AND PROCEDURES ) before doing repairs or service.

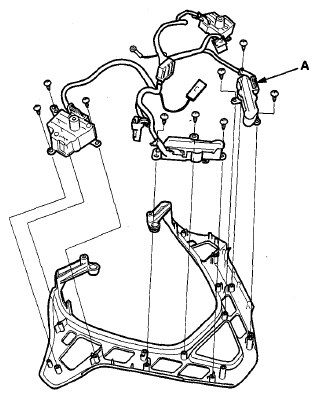
  1. Remove these items:
  2. Remove the screws and the HFL-navigation voice control switch (A).
    Fig 1: Identifying HFL-Navigation Voice Control Switch
    G08058246Courtesy of AMERICAN HONDA MOTOR CO., INC.
  3. Install the HFL-navigation voice control switch in the reverse order of removal.