LEMON Manuals: Even more car manuals for everyone: 1960-2025
Home >> Nissan-Datsun >> 2012 >> Cube Base >> Repair and Diagnosis >> Transmission >> Manual Transmission >> Unit Disassembly And Assembly >> Transaxle Assembly >> Disassembly
April 5, 2026: LEMON Manuals is launched! Read the announcement.

Transaxle Assembly: Disassembly

  1. Remove drain plug and gasket from clutch housing, using a socket [Commercial service tool] and then drain gear oil.
  2. Remove filler plug and gasket from transaxle case.
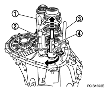
  3. Remove selector lever (1) retaining pin with a pin punch to remove selector lever.
  4. Remove bracket (2) and position switch (3) from transaxle case.
    Fig 1: Identifying Selector Lever, Bracket And Position Switch
    G04926390Courtesy of NISSAN NORTH AMERICA, INC.
  5. Remove transaxle case mounting bolts (<==).
    Fig 2: Locating Transaxle Case Mounting Bolts
    G04926391Courtesy of NISSAN NORTH AMERICA, INC.
  6. Remove reverse idler shaft mounting bolt (<==) and seal washer.
    Fig 3: Locating Reverse Idler Shaft Bolt
    G04926392Courtesy of NISSAN NORTH AMERICA, INC.
  7. Remove transaxle case (2) while rotating shifter lever A (1) in the direction as shown in the figure.
    Fig 4: Removing Transaxle Case
    G05914912Courtesy of NISSAN NORTH AMERICA, INC.
  8. Remove selector spring (1) from return bushing (A).
    Fig 5: Removing Selector Spring
    G05914913Courtesy of NISSAN NORTH AMERICA, INC.
  9. Shift 1st-2nd fork rod (1), fork rod (2), and reverse fork rod (3) to the neutral position.
  10. Remove selector (4) from clutch housing.
    Fig 6: Removing Clutch Housing Selector
    G04926395Courtesy of NISSAN NORTH AMERICA, INC.
  11. Remove reverse idler shaft assembly (1) according to the following procedures.
    1. Pull up input shaft assembly (2), mainshaft assembly (3), fork rod (4), and 1st-2nd fork rod (5).
      NOTE: It is easier to pull up when shifting each fork rod to each shaft side.
    2. Remove reverse idler shaft assembly and reverse fork rod (6) from clutch housing.
  12. Remove spring washer from clutch housing.
    Fig 7: Removing Reverse Idler Shaft Assembly
    G05914915Courtesy of NISSAN NORTH AMERICA, INC.
  13. Pull up and remove input shaft assembly (1), mainshaft assembly (2), fork rod (3), and 1st-2nd fork rod (4) from clutch housing.
    NOTE: It is easier to pull up when shifting each fork rod to each shaft side.
    Fig 8: Removing Input And Mainshaft Assembly
    G05914916Courtesy of NISSAN NORTH AMERICA, INC.
  14. Remove final drive assembly (1) from clutch housing.
  15. Remove magnet from clutch housing.
    Fig 9: Identifying Final Drive Assembly
    G04926400Courtesy of NISSAN NORTH AMERICA, INC.
  16. Remove differential side oil seals (1) from clutch housing and transaxle case.
    CAUTION: Never damage clutch housing and transaxle case.
    Fig 10: Identifying Differential Side Oil Seals
    G04926401Courtesy of NISSAN NORTH AMERICA, INC.
  17. Remove differential side bearing outer race (1) from clutch housing, using a brass rod.
    CAUTION: Never damage clutch housing.
    Fig 11: Identifying Differential Side Bearing Outer Race
    G04926402Courtesy of NISSAN NORTH AMERICA, INC.
  18. Remove differential side bearing outer race (1) from transaxle case, using a brass rod.
    CAUTION: Never damage transaxle case.
  19. Remove shim (2) from transaxle case.
    Fig 12: Removing Differential Side Bearing Outer Race
    G04926403Courtesy of NISSAN NORTH AMERICA, INC.
  20. Remove shifter lever A (1) retaining pin, using a pin punch.
  21. Remove shifter lever A from transaxle case.
    Fig 13: Removing Shifter Lever Retaining Pin
    G05914921Courtesy of NISSAN NORTH AMERICA, INC.
  22. Remove shifter lever B (1) from transaxle case.
    Fig 14: Identifying Shifter Lever
    G04926405Courtesy of NISSAN NORTH AMERICA, INC.
  23. Remove oil gutter (1) from transaxle case.
    Fig 15: Identifying Oil Gutter
    G04926407Courtesy of NISSAN NORTH AMERICA, INC.
  24. Remove bushings (1) from transaxle case, using a remover [Commercial service tool].
    CAUTION: Never damage transaxle case.
    Fig 16: Removing Bushings From Transaxle Case Using Remover
    G04926409Courtesy of NISSAN NORTH AMERICA, INC.
  25. Remove mainshaft rear bearing outer race from transaxle case, using a remover [Commercial service tool].
    CAUTION: Never damage transaxle case.
  26. Remove mainshaft rear bearing adjusting shim from transaxle case.
    Fig 17: Removing Mainshaft Rear Bearing Adjusting Shim
    G04926410Courtesy of NISSAN NORTH AMERICA, INC.
  27. Remove snap ring (1) and oil channel (2) from transaxle case.
    Fig 18: Identifying Snap Ring And Oil Channel On Transaxle Case
    G04926411Courtesy of NISSAN NORTH AMERICA, INC.
  28. Remove input shaft oil seal (1) from clutch housing, using a screwdriver.
    CAUTION: Never damage clutch housing.
    Fig 19: Removing Input Shaft Oil Seal From Clutch Housing
    G04926412Courtesy of NISSAN NORTH AMERICA, INC.
  29. Remove mainshaft front bearing outer race (1) from clutch housing, using the puller (A) [SST: KV381054S0 (J-34286)] and a spacer (B) [Commercial service tool].
    CAUTION: Never damage clutch housing.
  30. Remove oil channel (2) from clutch housing.
    Fig 20: Removing Mainshaft Front Bearing Outer Race
    G05914928Courtesy of NISSAN NORTH AMERICA, INC.
  31. Remove bushing (1) from clutch housing, using a remover [Commercial service tool].
    CAUTION: Never damage clutch housing.
    Fig 21: Removing Bushing From Clutch Housing Using Remover
    G04926414Courtesy of NISSAN NORTH AMERICA, INC.
  32. Remove 2 way connector (1) from clutch housing.
  33. Remove plug from clutch housing.
    Fig 22: Identifying Two Way Connector On Clutch Housing
    G04926415Courtesy of NISSAN NORTH AMERICA, INC.
  34. Remove pinion gear (1) and pinion shaft (2) from clutch housing.
    Fig 23: Identifying Pinion Gear And Pinion Shaft
    G04926416Courtesy of NISSAN NORTH AMERICA, INC.