LEMON Manuals: Even more car manuals for everyone: 1960-2025
Home >> Nissan-Datsun >> 2012 >> Murano CrossCabriolet >> Repair and Diagnosis >> Engine Performance >> System >> Engine Control System - Introduction (CROSSCABRIOLET) >> Wiring Diagram >> Engine Control System >> Wiring Diagram
April 5, 2026: LEMON Manuals is launched! Read the announcement.

Engine Control System: Wiring Diagram

For connector terminal arrangements, harness layouts, and alphabets in a (option abbreviation; if not described in wiring diagram), refer to "CONNECTOR INFORMATION ".

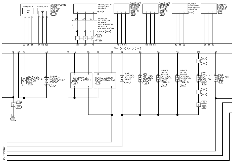
Fig 1: Engine Control System - Wiring Diagram (1 Of 5)
G08428815Courtesy of NISSAN NORTH AMERICA, INC.
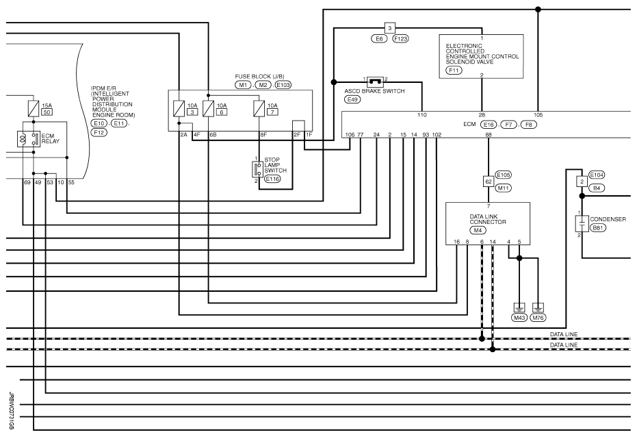
Fig 2: Engine Control System - Wiring Diagram (2 Of 5)
G08428816Courtesy of NISSAN NORTH AMERICA, INC.
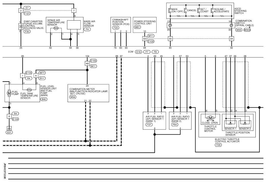
Fig 3: Engine Control System - Wiring Diagram (3 Of 5)
G08428817Courtesy of NISSAN NORTH AMERICA, INC.
Fig 4: Engine Control System - Wiring Diagram (4 Of 5)
G08428818Courtesy of NISSAN NORTH AMERICA, INC.
Fig 5: Engine Control System - Wiring Diagram (5 Of 5)
G08428819Courtesy of NISSAN NORTH AMERICA, INC.