LEMON Manuals: Even more car manuals for everyone: 1960-2025
Home >> Nissan-Datsun >> 2012 >> Quest SL >> Repair and Diagnosis (Single Page) >> Body & Frame >> Door Locks >> Security Control System (With Intelligent Key System) >> Wiring Diagram >> Security Control System >> Wiring Diagram
April 5, 2026: LEMON Manuals is launched! Read the announcement.

Security Control System: Wiring Diagram

For connector terminal arrangements, harness layouts, and alphabets in a "diamond shape" symbol (option abbreviation; if not described in wiring diagram), refer to "CONNECTOR INFORMATION ".

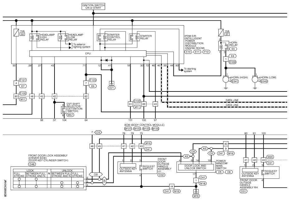
Fig 1: Security Control System Wiring Diagram (1 Of 3)
G08172876Courtesy of NISSAN NORTH AMERICA, INC.
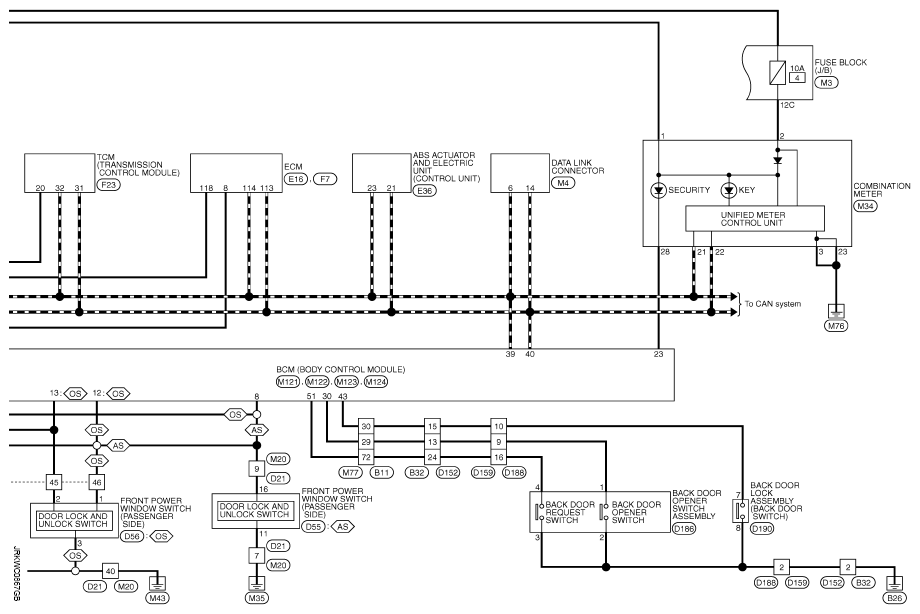
Fig 2: Security Control System Wiring Diagram (2 Of 3)
G08172877Courtesy of NISSAN NORTH AMERICA, INC.
Fig 3: Security Control System Wiring Diagram (3 Of 3)
G08172878Courtesy of NISSAN NORTH AMERICA, INC.