LEMON Manuals: Even more car manuals for everyone: 1960-2025
Home >> Nissan-Datsun >> 2012 >> Rogue S, AWD >> Repair and Diagnosis >> Body & Frame >> Door Locks >> Security Control System (With Intelligent Key System) >> DTC/Circuit Diagnosis >> Intelligent Key System/Engine Start Function >> Wiring Diagram - INTELLIGENT KEY SYSTEM/ENGINE START FUNCTION -
April 5, 2026: LEMON Manuals is launched! Read the announcement.

Wiring Diagram - INTELLIGENT KEY SYSTEM/ENGINE START FUNCTION -

For connector terminal arrangements, harness layouts, and alphabets in a "diamond shape" symbol (option abbreviation; if not described in wiring diagram), refer to "CONNECTOR INFORMATION ".

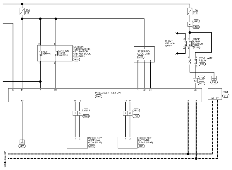
Fig 1: Intelligent Key System/Engine Start Function - Wiring Diagram (1 Of 2)
G08177250Courtesy of NISSAN NORTH AMERICA, INC.
Fig 2: Intelligent Key System/Engine Start Function - Wiring Diagram (2 Of 2)
G08177251Courtesy of NISSAN NORTH AMERICA, INC.