LEMON Manuals: Even more car manuals for everyone: 1960-2025
Home >> Nissan-Datsun >> 2012 >> Rogue S, AWD >> Repair and Diagnosis >> Engine Performance >> System >> Engine Control System - Introduction (USA And CANADA) >> System Description >> Engine Control System >> System Diagram
April 5, 2026: LEMON Manuals is launched! Read the announcement.

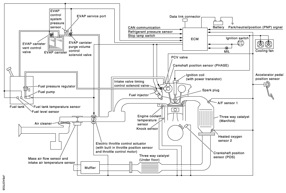
System Diagram

Fig 1: Engine Control - System Diagram
G08176147Courtesy of NISSAN NORTH AMERICA, INC.