LEMON Manuals: Even more car manuals for everyone: 1960-2025
Home >> Nissan-Datsun >> 2012 >> Sentra Base, Automatic CVT Trans >> Repair and Diagnosis >> Engine Performance >> System >> Engine Control System - DTCS P0137 To P0445 (MR20DE) (CALIFORNIA) >> DTC P0171: Fuel Injection System Function >> Wiring Diagram
April 5, 2026: LEMON Manuals is launched! Read the announcement.

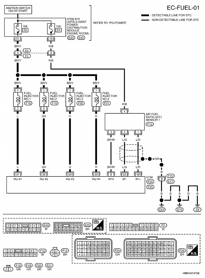
DTC P0171: Fuel Injection System Function: Wiring Diagram

Fig 1: Identifying Wiring Diagram With Connector End View (EC-FUEL-01)
G06550466Courtesy of NISSAN NORTH AMERICA, INC.

Specification data are reference values and are measured between each terminal and ground.

Pulse signal is measured by CONSULT.

CAUTION: Do not use ECM ground terminals when measuring input/output voltage. Doing so may result in damage to the ECM's transistor. Use a ground other than ECM terminals, such as the ground.
Terminal No. Wire color Item Condition Data (DC voltage)
8 BR/W A/F sensor 1 heater [Engine is running] 
  • Warm-up condition 
  • Idle speed

(More than 140 seconds after starting engine)
Approximately 2.9 - 8.8 V(1)
G04896959Courtesy of NISSAN NORTH AMERICA, INC.
25
29
30
31
R
O
GR
L
Fuel injector No. 4
Fuel injector No. 3
Fuel injector No. 2
Fuel injector No. 1
[Engine is running] 
  • Warm-up condition 
  • Idle speed
NOTE: The pulse cycle changes depending on rpm at idle
Battery voltage (11 - 14 V)(1)
G04894542Courtesy of NISSAN NORTH AMERICA, INC.
[Engine is running] 
  • Warm-up condition 
  • Engine speed: 2, 000 rpm
Battery voltage (11 - 14 V)(1)
G05921439Courtesy of NISSAN NORTH AMERICA, INC.
49 L/R A/F sensor 1 [Engine is running] 
  • Warm-up condition 
  • Engine speed: 2, 000 rpm
Approximately 1.8 V
Output voltage varies with air fuel ratio.
53 L/G A/F sensor 1 [Ignition switch: ON]  Approximately 2.2 V
(1) Average voltage for pulse signal (Actual pulse signal can be confirmed by oscilloscope.)