LEMON Manuals: Even more car manuals for everyone: 1960-2025
Home >> Nissan-Datsun >> 2012 >> Versa SL, 4D Hatchback >> Repair and Diagnosis >> Engine Performance >> System >> Engine Control System - Component Testing (Hatchback) >> ASCD Brake Switch >> Wiring Diagram
April 5, 2026: LEMON Manuals is launched! Read the announcement.

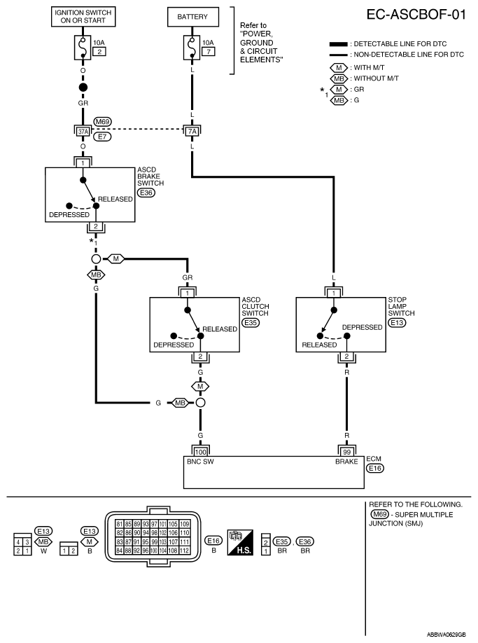
ASCD Brake Switch: Wiring Diagram

Fig 1: ASCD Brake Switch Wiring Diagram
G08275721Courtesy of NISSAN NORTH AMERICA, INC.

Specification data are reference values and are measured between each terminal and ground.

CAUTION: Do not use ECM ground terminals when measuring input/output voltage. Doing so may result in damage to the ECM's transistor. Use a ground other than ECM terminals, such as the ground.
Terminal No. Wire color Item Condition Data (DC voltage)
99 R Stop lamp switch [Ignition switch: ON] 
  • Brake pedal: Fully released
Approximately 0 V
[Ignition switch: ON] 
  • Brake pedal: Slightly depressed
Battery voltage (11 - 14 V)
100 G ASCD brake switch [Ignition switch: ON] 
  • Brake pedal: Slightly depressed (A/T, CVT)
  • Brake pedal and/or clutch pedal: Slightly depressed (M/T)
Approximately 0 V
[Ignition switch: ON] 
  • Brake pedal: Fully released (A/T, CVT)
  • Brake pedal and clutch pedal: Fully released (M/T)
Battery voltage (11 - 14 V)