LEMON Manuals: Even more car manuals for everyone: 1960-2025
Home >> Nissan-Datsun >> 2013 >> Cube S, Standard Trans >> Repair and Diagnosis >> Accessories & Equipment >> Anti-Theft Systems >> Security Control System (With Intelligent Key System) >> DTC/Circuit Diagnosis >> Vehicle Security System >> Wiring Diagram - VEHICLE SECURITY SYSTEM
April 5, 2026: LEMON Manuals is launched! Read the announcement.

Wiring Diagram - VEHICLE SECURITY SYSTEM

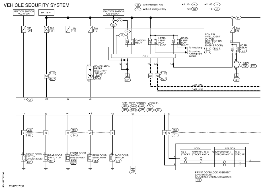
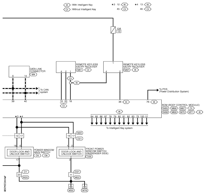
For connector terminal arrangements, harness layouts, and letters in a "diamond shape" symbol (option abbreviation; if not described in wiring diagram), refer to "CONNECTOR INFORMATION ".

Fig 1: Vehicle Security System Wiring Diagram (1 Of 2)
G08701312Courtesy of NISSAN NORTH AMERICA, INC.
Fig 2: Vehicle Security System Wiring Diagram (2 Of 2)
G08701313Courtesy of NISSAN NORTH AMERICA, INC.