LEMON Manuals: Even more car manuals for everyone: 1960-2025
Home >> Nissan-Datsun >> 2013 >> Cube S, Standard Trans >> Repair and Diagnosis >> Body & Frame >> Door Locks >> Security Control System (With Intelligent Key System) >> DTC/Circuit Diagnosis >> Intelligent Key System/Engine Start Function >> Wiring Diagram - INTELLIGENT KEY SYSTEM/ENGINE START FUNCTION
April 5, 2026: LEMON Manuals is launched! Read the announcement.

Wiring Diagram - INTELLIGENT KEY SYSTEM/ENGINE START FUNCTION

For connector terminal arrangements, harness layouts, and letters in a "diamond shape" symbol (option abbreviation; if not described in wiring diagram), refer to "CONNECTOR INFORMATION ".

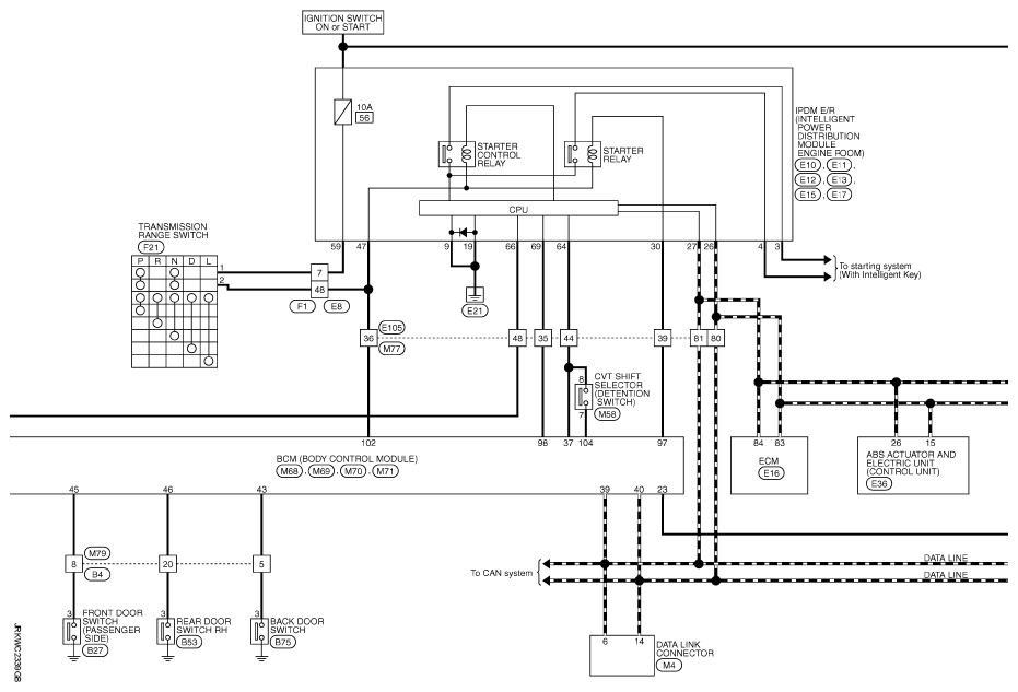
Fig 1: Intelligent Key System Wiring Diagram (1 Of 3)
G08700511Courtesy of NISSAN NORTH AMERICA, INC.
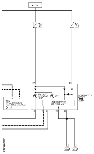
Fig 2: Intelligent Key System Wiring Diagram (2 Of 3)
G08700512Courtesy of NISSAN NORTH AMERICA, INC.
Fig 3: Intelligent Key System Wiring Diagram (3 Of 3)
G08700513Courtesy of NISSAN NORTH AMERICA, INC.