LEMON Manuals: Even more car manuals for everyone: 1960-2025
Home >> Nissan-Datsun >> 2013 >> Frontier SL, RWD >> Repair and Diagnosis >> External Pages >> Different car >> Section 70 (Power Control System) >> IPDM E/R >> System Description >> Relay Control System >> IPDM E/R Relays
April 5, 2026: LEMON Manuals is launched! Read the announcement.

IPDM E/R Relays

WARNING: This page is about a different car, the 2015 Nissan Frontier. However, it is still accessible from the selected car via links, so may be relevant.
Fig 1: IPDM E/R Relays (1 Of 2)
GNSABMWA2798GB-798Courtesy of NISSAN NORTH AMERICA, INC.
IPDM E/R RELAY IDENTIFICATION

RELAY DESCRIPTION
Ignition Relay
Fuel Pump Relay
Heated Mirror Relay
Cooling Fan High Relay
Throttle Control Motor Relay
ECM Relay
Cooling Fan Low Relay
CAUTION: IPDM E/R Integrated Relays Cannot Be Removed.
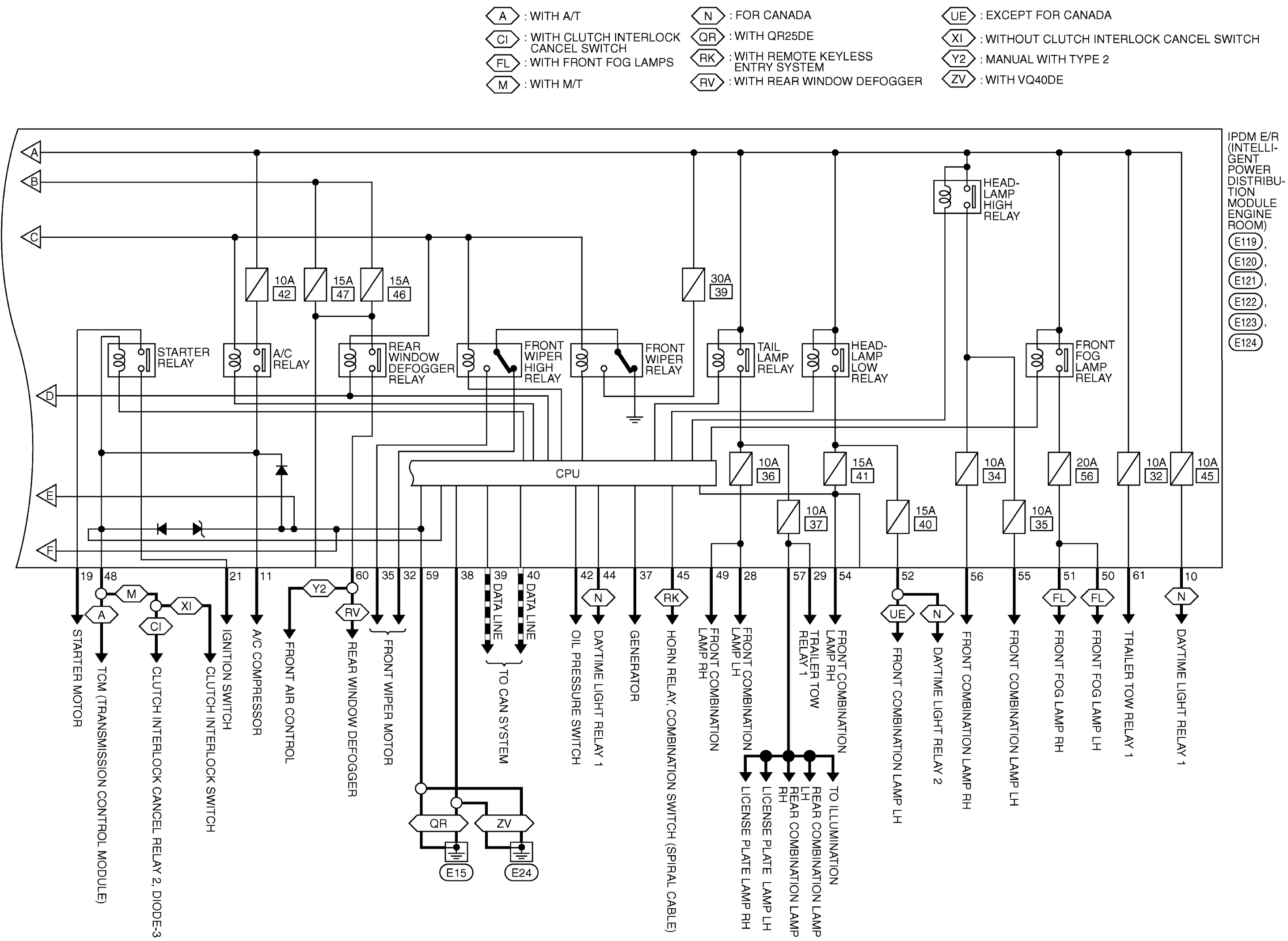
Fig 2: IPDM E/R Relays (2 Of 2)
GNSABMWA2799GB-799Courtesy of NISSAN NORTH AMERICA, INC.
IPDM E/R RELAY IDENTIFICATION

RELAY DESCRIPTION
Starter Relay
A/C Relay
Rear Window Defogger Relay
Front Wiper High Relay
Front Wiper Relay
Tail Lamp Relay
Headlamp Low Relay
Headlamp High Relay
Front Fog Lamp Relay
CAUTION: IPDM E/R Integrated Relays Cannot Be Removed.
Fig 3: IPDM E/R Terminals And Relays
G06607847Courtesy of NISSAN NORTH AMERICA, INC.
IPDM E/R RELAY IDENTIFICATION

RELAY DESCRIPTION
Rear Window Defogger Relay
Cooling Fan Relay - 1
Cooling Fan Relay - 2
Ignition Relay
CAUTION: IPDM E/R Integrated Relays Cannot Be Removed.