LEMON Manuals: Even more car manuals for everyone: 1960-2025
Home >> Nissan-Datsun >> 2013 >> Juke S, FWD >> Repair and Diagnosis >> Engine Performance >> System >> Engine Control System (Introduction) >> Wiring Diagram >> Engine Control System >> Wiring Diagram
April 5, 2026: LEMON Manuals is launched! Read the announcement.

Engine Control System: Wiring Diagram

For connector terminal arrangements, harness layouts, and letters in a "diamond shape" symbol (option abbreviation; if not described in wiring diagram), refer to "CONNECTOR INFORMATION ".

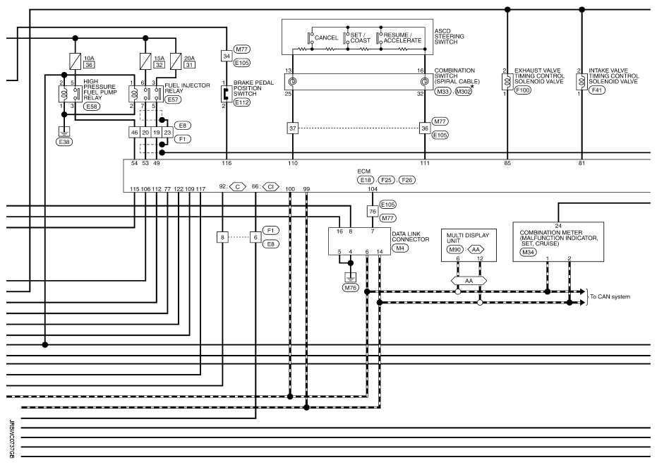
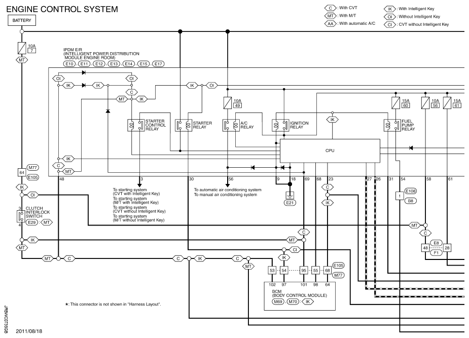
Fig 1: Engine Control System Wiring Diagram (1 Of 6)
G08690299Courtesy of NISSAN NORTH AMERICA, INC.
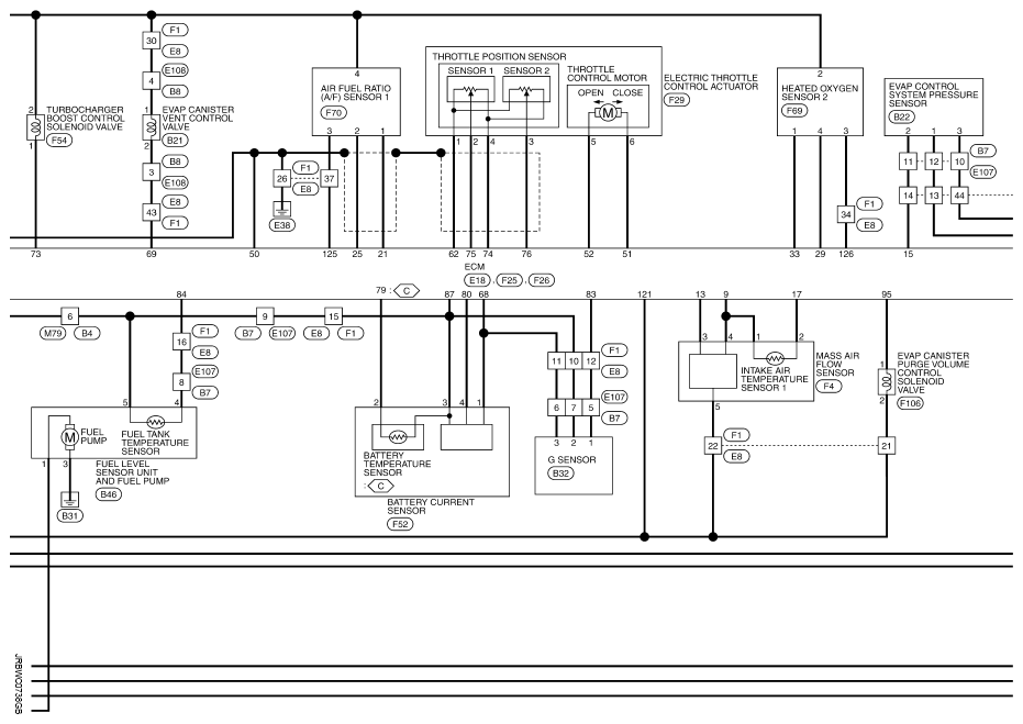
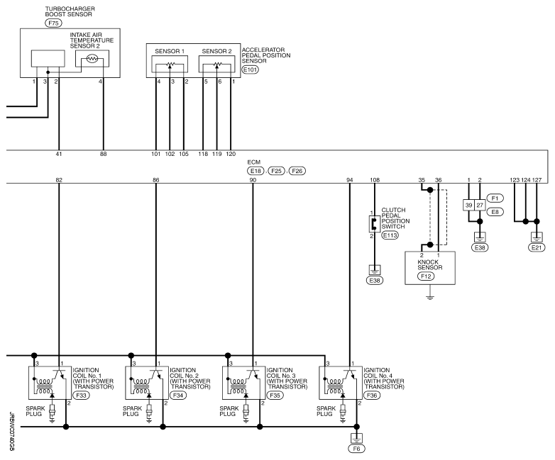
Fig 2: Engine Control System Wiring Diagram (2 Of 6)
G08690300Courtesy of NISSAN NORTH AMERICA, INC.
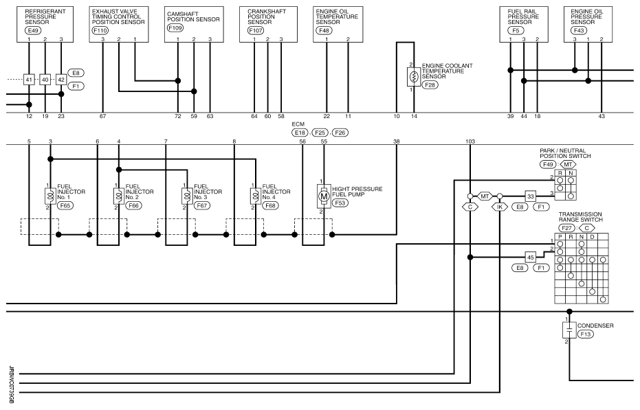
Fig 3: Engine Control System Wiring Diagram (3 Of 6)
G08690301Courtesy of NISSAN NORTH AMERICA, INC.
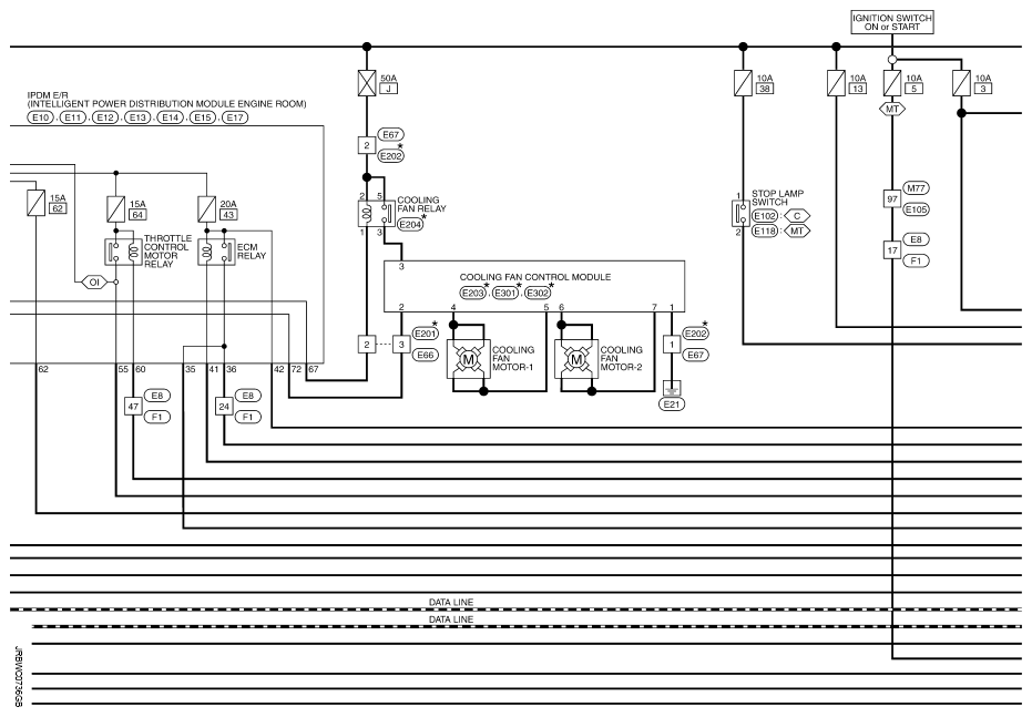
Fig 4: Engine Control System Wiring Diagram (4 Of 6)
G08690302Courtesy of NISSAN NORTH AMERICA, INC.
Fig 5: Engine Control System Wiring Diagram (5 Of 6)
G08690303Courtesy of NISSAN NORTH AMERICA, INC.
Fig 6: Engine Control System Wiring Diagram (6 Of 6)
G08690304Courtesy of NISSAN NORTH AMERICA, INC.