LEMON Manuals: Even more car manuals for everyone: 1960-2025
Home >> Nissan-Datsun >> 2013 >> Quest LE >> Repair and Diagnosis (Single Page) >> Accessories & Equipment >> Entertainment Systems >> Audio, Visual & Navigation System (BOSE Audio With Navigation) >> System Description >> System >> Multi Av System >> MULTI AV SYSTEM: Circuit Diagram
April 5, 2026: LEMON Manuals is launched! Read the announcement.

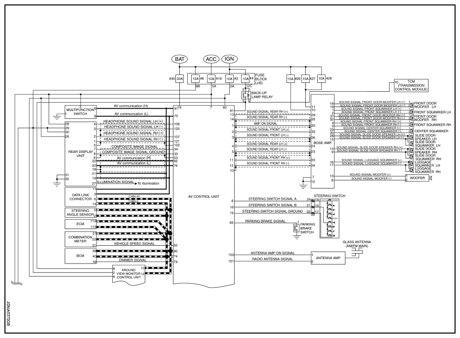
MULTI AV SYSTEM: Circuit Diagram

Fig 1: Multi AV System Circuit Diagram (1 Of 2)
G08962732Courtesy of NISSAN NORTH AMERICA, INC.
Fig 2: Multi AV System Wiring Diagrams With Connector End Views (2 Of 2)
G08962733Courtesy of NISSAN NORTH AMERICA, INC.