LEMON Manuals: Even more car manuals for everyone: 1960-2025
Home >> Nissan-Datsun >> 2013 >> Quest SL >> Repair and Diagnosis >> Engine Performance >> System >> Engine Control System (Introduction) >> Wiring Diagram >> Engine Control System >> Wiring Diagram
April 5, 2026: LEMON Manuals is launched! Read the announcement.

Engine Control System: Wiring Diagram

For connector terminal arrangements, harness layouts, and letters in a (option abbreviation; if not described in wiring diagram), refer to "CONNECTOR INFORMATION ".

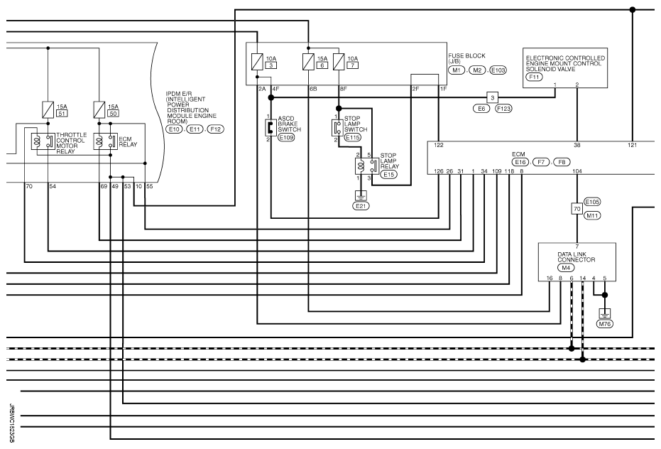
Fig 1: Engine Control System Wiring Diagram (1 Of 5)
G08959699Courtesy of NISSAN NORTH AMERICA, INC.
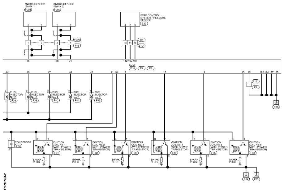
Fig 2: Engine Control System Wiring Diagram (2 Of 5)
G08959700Courtesy of NISSAN NORTH AMERICA, INC.
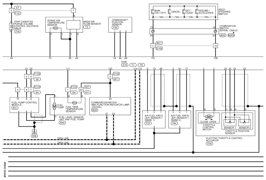
Fig 3: Engine Control System Wiring Diagram (3 Of 5)
G08959701Courtesy of NISSAN NORTH AMERICA, INC.
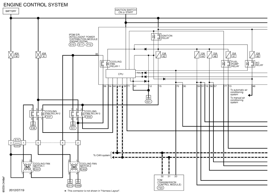
Fig 4: Engine Control System Wiring Diagram (4 Of 5)
G08959702Courtesy of NISSAN NORTH AMERICA, INC.
Fig 5: Engine Control System Wiring Diagram (5 Of 5)
G08959703Courtesy of NISSAN NORTH AMERICA, INC.