LEMON Manuals: Even more car manuals for everyone: 1960-2025
Home >> Nissan-Datsun >> 2013 >> Sentra FE+S >> Repair and Diagnosis (Single Page) >> Brakes >> Traction Control >> Brake Control System >> System Description >> System >> VDC/TCS/Abs >> VDC/TCS/ABS: System Description >> Valve Operation (Abs And EBD Functions)
April 5, 2026: LEMON Manuals is launched! Read the announcement.

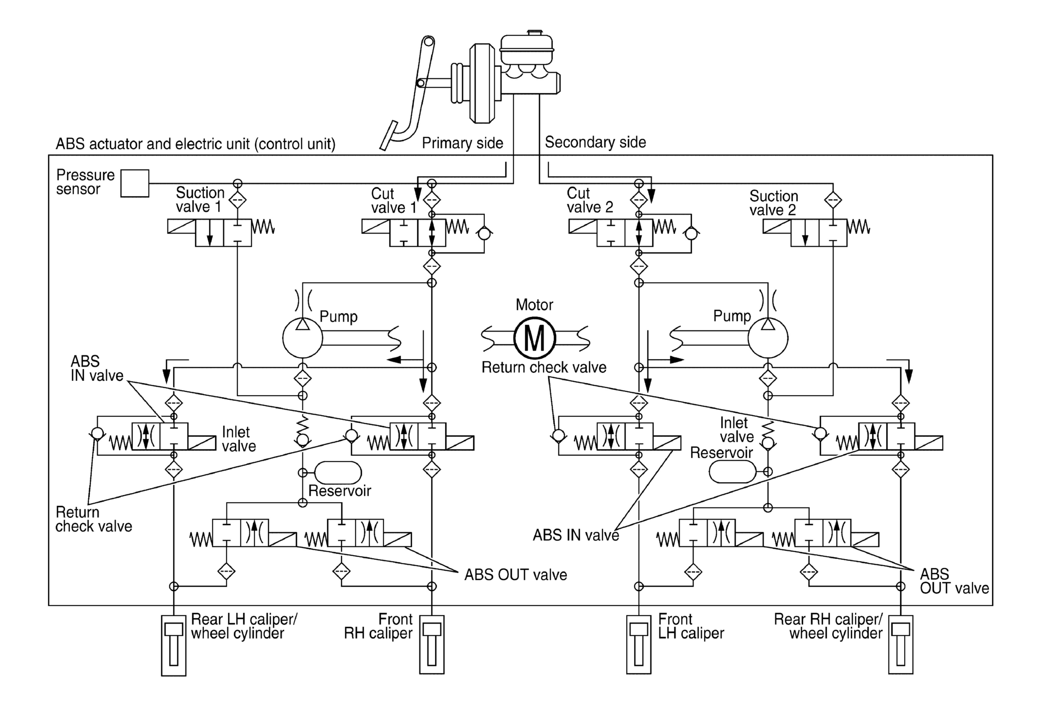
Valve Operation (Abs And EBD Functions)

The control unit built into the ABS actuator and electric unit (control unit) controls fluid pressure of the brake calipers by operating each valve.

Brake Pedal Applied or ABS Function Operating (Pressure Increases)

Fig 1: ABS And EBD Functions Valve Operation Diagram (Pressure Increases)
G08990163Courtesy of NISSAN NORTH AMERICA, INC.
Name Not activated During pressure increases
Cut valve 1 Power supply is not supplied (open) Power supply is not supplied (open)
Cut valve 2 Power supply is not supplied (open) Power supply is not supplied (open)
Suction valve 1 Power supply is not supplied (close) Power supply is not supplied (close)
Suction valve 2 Power supply is not supplied (close) Power supply is not supplied (close)
ABS IN valve Power supply is not supplied (open) Power supply is not supplied (open)
ABS OUT valve Power supply is not supplied (close) Power supply is not supplied (close)
Each brake caliper and each wheel cylinder (fluid pressure) - Pressure increases

Front RH brake caliper

Front LH brake caliper

Rear RH brake caliper/wheel cylinder

Rear LH brake caliper/wheel cylinder

ABS Function Starts Operating (Pressure Holds)

Fig 2: ABS Function Starts Operation Diagram (Pressure Holds)
G08990164Courtesy of NISSAN NORTH AMERICA, INC.
Name Not activated During pressure holds
Cut valve 1 Power supply is not supplied (open) Power supply is not supplied (open)
Cut valve 2 Power supply is not supplied (open) Power supply is not supplied (open)
Suction valve 1 Power supply is not supplied (close) Power supply is not supplied (close)
Suction valve 2 Power supply is not supplied (close) Power supply is not supplied (close)
ABS IN valve Power supply is not supplied (open) Power supply is supplied (close)
ABS OUT valve Power supply is not supplied (close) Power supply is not supplied (close)
Each brake caliper and each wheel cylinder (fluid pressure) - Pressure holds

Front RH brake caliper

Front LH brake caliper

Rear RH brake caliper/wheel cylinder

Rear LH brake caliper/wheel cylinder

ABS Function Operating (Pressure Decreases)

Fig 3: ABS Function Starts Operation Diagram (Pressure Decreases)
G08990165Courtesy of NISSAN NORTH AMERICA, INC.
Name Not activated During pressure decreases
Cut valve 1 Power supply is not supplied (open) Power supply is not supplied (open)
Cut valve 2 Power supply is not supplied (open) Power supply is not supplied (open)
Suction valve 1 Power supply is not supplied (close) Power supply is not supplied (close)
Suction valve 2 Power supply is not supplied (close) Power supply is not supplied (close)
ABS IN valve Power supply is not supplied (open) Power supply is supplied (close)
ABS OUT valve Power supply is not supplied (close) Power supply is supplied (open)
Each brake caliper and each wheel cylinder (fluid pressure) - Pressure decreases

Front RH brake caliper

Front LH brake caliper

Rear RH brake caliper/wheel cylinder

Rear LH brake caliper/wheel cylinder

ABS Function Operating (Pressure Increases)

Fig 4: ABS Function Starts Operation Diagram (Pressure Increases)
G08990166Courtesy of NISSAN NORTH AMERICA, INC.
Name Not activated During pressure increases
Cut valve 1 Power supply is not supplied (open) Power supply is not supplied (open)
Cut valve 2 Power supply is not supplied (open) Power supply is not supplied (open)
Suction valve 1 Power supply is not supplied (close) Power supply is not supplied (close)
Suction valve 2 Power supply is not supplied (close) Power supply is not supplied (close)
ABS IN valve Power supply is not supplied (open) Power supply is not supplied (open)
ABS OUT valve Power supply is not supplied (close) Power supply is not supplied (close)
Each brake caliper and each wheel cylinder (fluid pressure) - Pressure increases

Front RH brake caliper

Front LH brake caliper

Rear RH brake caliper/wheel cylinder

Rear LH brake caliper/wheel cylinder

Brake Release

Fig 5: ABS Function Starts Operation Diagram (Brake Release)
G08990167Courtesy of NISSAN NORTH AMERICA, INC.
Name Not activated During brake release
Cut valve 1 Power supply is not supplied (open) Power supply is not supplied (open)
Cut valve 2 Power supply is not supplied (open) Power supply is not supplied (open)
Suction valve 1 Power supply is not supplied (close) Power supply is not supplied (close)
Suction valve 2 Power supply is not supplied (close) Power supply is not supplied (close)
ABS IN valve Power supply is not supplied (open) Power supply is not supplied (open)
ABS OUT valve Power supply is not supplied (close) Power supply is not supplied (close)
Each brake caliper and each wheel cylinder (fluid pressure) - Pressure decreases

Front RH brake caliper

Front LH brake caliper

Rear RH brake caliper/wheel cylinder

Rear LH brake caliper/wheel cylinder

COMPONENT PARTS AND FUNCTION

Component Function
Pump Returns the brake fluid reserved in reservoir to master cylinder by reducing pressure.
Motor Activates the pump according to signals from ABS actuator and electric unit (control unit).
Cut valve 1
Cut valve 2
Shuts off the ordinary brake line from master cylinder.
Suction valve 1
Suction valve 2
Supplies the brake fluid from master cylinder to the pump.
ABS IN valve Switches the fluid pressure line to increase or hold according to signals from control unit.
ABS OUT valve Switches the fluid pressure line to increase, hold or decrease according to signals from control unit.
Return check valve Returns the brake fluid from brake caliper and wheel cylinder to master cylinder by bypassing orifice of each valve when brake is released.
Reservoir Temporarily reserves the brake fluid drained from brake caliper, so that pressure efficiently decreases when decreasing pressure of brake caliper and wheel cylinder.
Pressure sensor Detects the brake fluid pressure and transmits signal to ABS actuator and electric unit (control unit).