LEMON Manuals: Even more car manuals for everyone: 1960-2025
Home >> Nissan-Datsun >> 2013 >> Versa SL >> Repair and Diagnosis (Single Page) >> Body & Frame >> Door Locks >> Security Control System (With Intelligent Key) >> Wiring Diagram >> Intelligent Key System/Engine Start Function >> Wiring Diagram
April 5, 2026: LEMON Manuals is launched! Read the announcement.

Intelligent Key System/Engine Start Function: Wiring Diagram

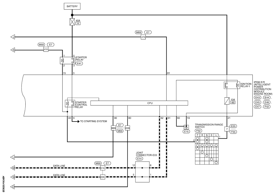
Fig 1: Intelligent Key System/Engine Start Function Wiring Diagram (1 Of 4)
G09052188Courtesy of NISSAN NORTH AMERICA, INC.
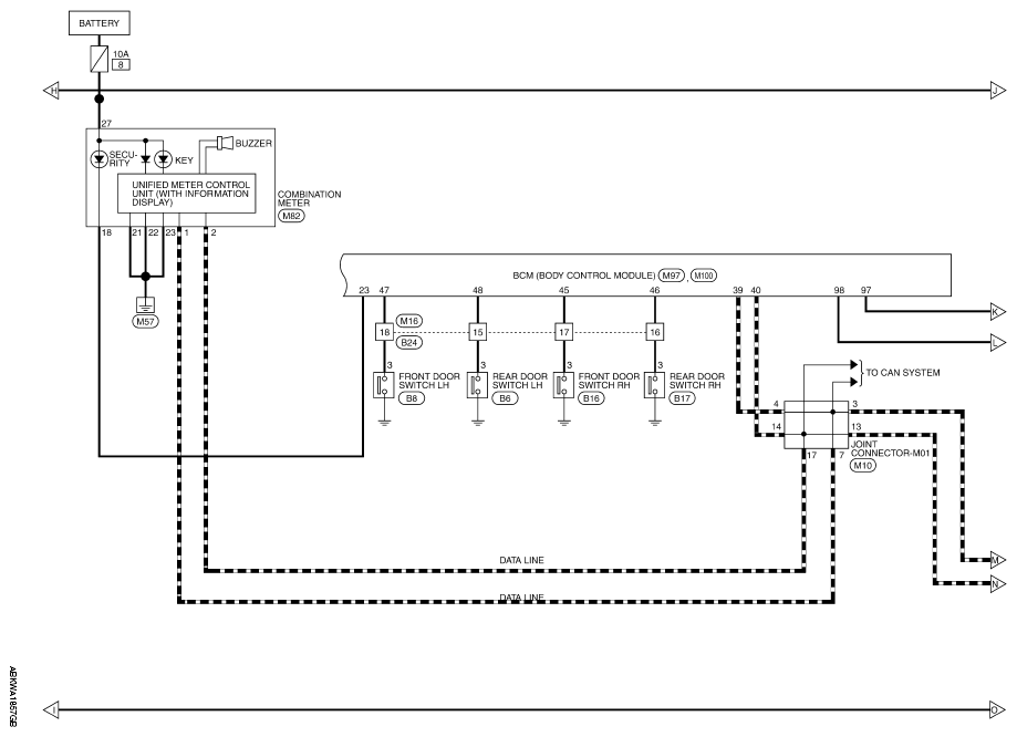
Fig 2: Intelligent Key System/Engine Start Function Wiring Diagram (2 Of 4)
G09052189Courtesy of NISSAN NORTH AMERICA, INC.
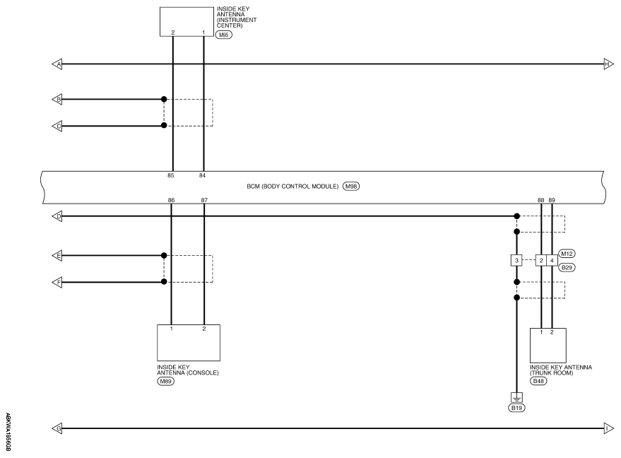
Fig 3: Intelligent Key System/Engine Start Function Wiring Diagram (3 Of 4)
G09052190Courtesy of NISSAN NORTH AMERICA, INC.
Fig 4: Intelligent Key System/Engine Start Function Wiring Diagram (4 Of 4)
G09052191Courtesy of NISSAN NORTH AMERICA, INC.
Fig 5: Intelligent Key System/Engine Start Function Connector End Views (1 Of 8)
G09052192Courtesy of NISSAN NORTH AMERICA, INC.
Fig 6: Intelligent Key System/Engine Start Function Connector End Views (2 Of 8)
G09052193Courtesy of NISSAN NORTH AMERICA, INC.
Fig 7: Intelligent Key System/Engine Start Function Connector End Views (3 Of 8)
G09052194Courtesy of NISSAN NORTH AMERICA, INC.
Fig 8: Intelligent Key System/Engine Start Function Connector End Views (4 Of 8)
G09052195Courtesy of NISSAN NORTH AMERICA, INC.
Fig 9: Intelligent Key System/Engine Start Function Connector End Views (5 Of 8)
G09052196Courtesy of NISSAN NORTH AMERICA, INC.
Fig 10: Intelligent Key System/Engine Start Function Connector End Views (6 Of 8)
G09052197Courtesy of NISSAN NORTH AMERICA, INC.
Fig 11: Intelligent Key System/Engine Start Function Connector End Views (7 Of 8)
G09052198Courtesy of NISSAN NORTH AMERICA, INC.
Fig 12: Intelligent Key System/Engine Start Function Connector End Views (8 Of 8)
G09052199Courtesy of NISSAN NORTH AMERICA, INC.