LEMON Manuals: Even more car manuals for everyone: 1960-2025
Home >> Nissan-Datsun >> 2013 >> Versa SL >> Repair and Diagnosis >> Engine Performance >> Testing & Diagnosis >> Engine Control System (Introduction) >> System Description >> System >> Engine Control System >> ENGINE CONTROL SYSTEM: System Diagram
April 5, 2026: LEMON Manuals is launched! Read the announcement.

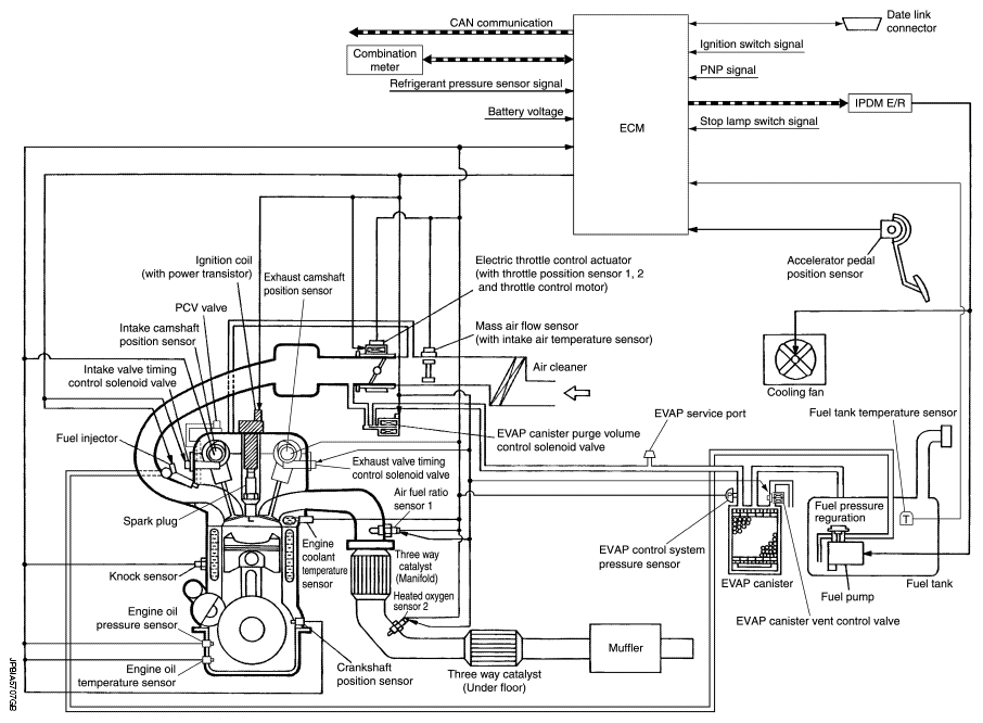
ENGINE CONTROL SYSTEM: System Diagram

Fig 1: Engine Control System Diagram
G09054197Courtesy of NISSAN NORTH AMERICA, INC.