LEMON Manuals: Even more car manuals for everyone: 1960-2025
Home >> Nissan-Datsun >> 2014 >> Altima Base >> Repair and Diagnosis >> Electrical >> Starter >> Starting System >> System Description >> System >> System Diagram
April 5, 2026: LEMON Manuals is launched! Read the announcement.

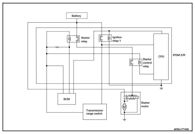
System Diagram

Fig 1: Starting System Diagram
G09140653Courtesy of NISSAN NORTH AMERICA, INC.