LEMON Manuals: Even more car manuals for everyone: 1960-2025
Home >> Nissan-Datsun >> 2014 >> Rogue S, AWD >> Repair and Diagnosis >> External Pages >> Different car >> Section 91 (Security Control System (With Intelligent Key System)) >> Wiring Diagram >> Vehicle Security System >> Wiring Diagram
April 5, 2026: LEMON Manuals is launched! Read the announcement.

Vehicle Security System: Wiring Diagram

WARNING: This page is about a different car, the 2016 Nissan Rogue. However, it is still accessible from the selected car via links, so may be relevant.
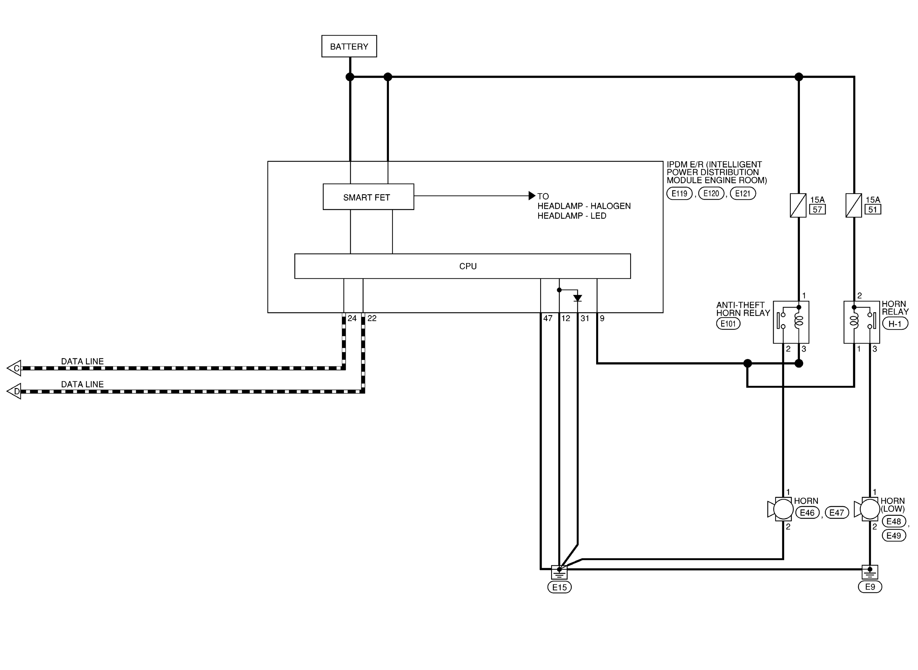
Fig 1: Vehicle Security System Wiring Diagram (1 Of 4)
GNSAAKWA1335GB-335Courtesy of NISSAN NORTH AMERICA, INC.
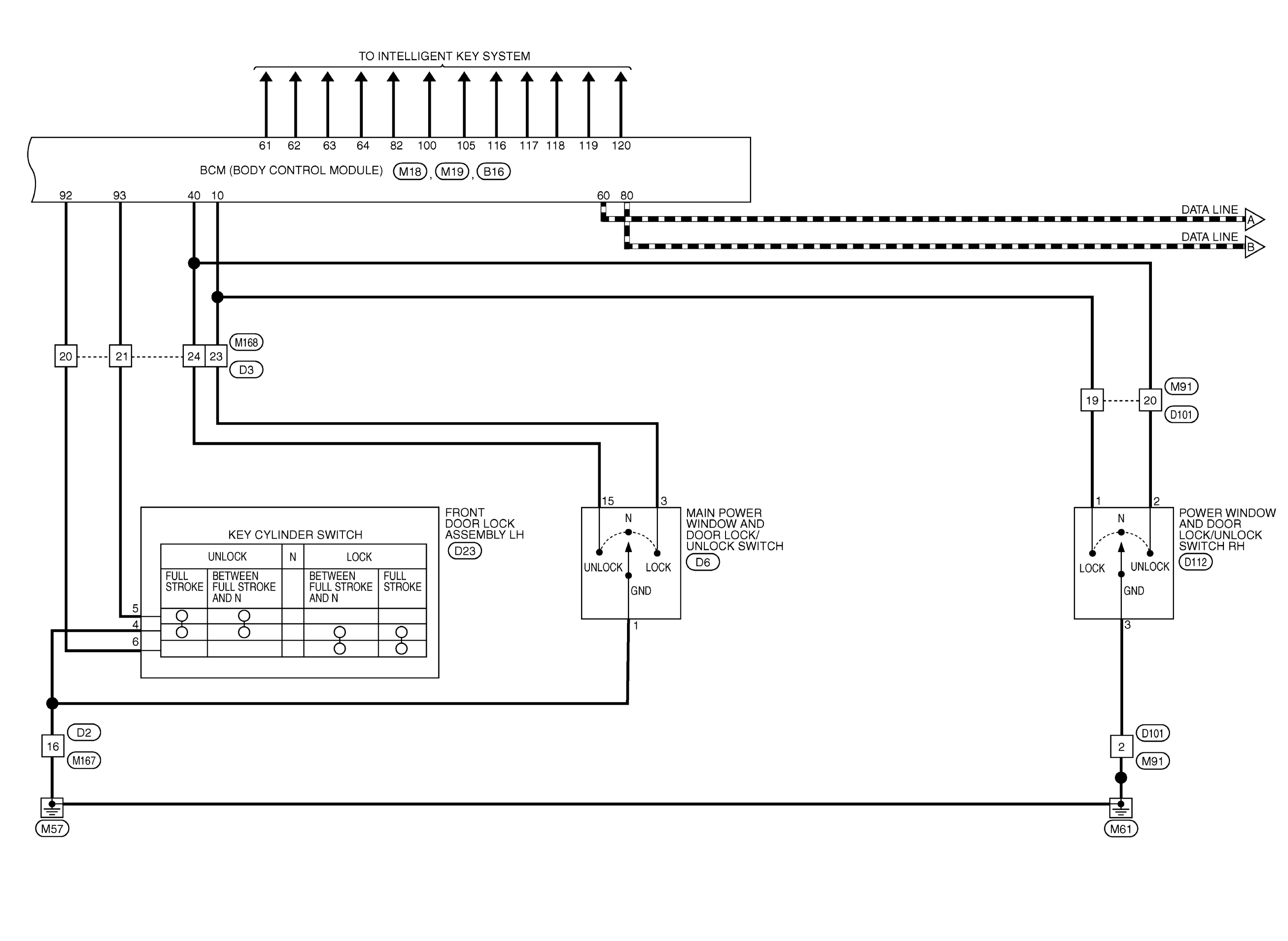
Fig 2: Vehicle Security System Wiring Diagram (2 Of 4)
GNSAAKWA0985GB-985Courtesy of NISSAN NORTH AMERICA, INC.
Fig 3: Vehicle Security System Wiring Diagram (3 Of 4)
GNSAAKWA0986GB-986Courtesy of NISSAN NORTH AMERICA, INC.
Fig 4: Vehicle Security System Wiring Diagram (4 Of 4)
GNSAAKWA0987GB-987Courtesy of NISSAN NORTH AMERICA, INC.
Fig 5: Vehicle Security System Connectors (1 Of 9)
GNSAAKIA3203GB-203Courtesy of NISSAN NORTH AMERICA, INC.
Fig 6: Vehicle Security System Connectors (2 Of 9)
GNSAAKIA2337GB-337Courtesy of NISSAN NORTH AMERICA, INC.
Fig 7: Vehicle Security System Connectors (3 Of 9)
G09158663Courtesy of NISSAN NORTH AMERICA, INC.
Fig 8: Vehicle Security System Connectors (4 Of 9)
GNSAAKIA2448GB-448Courtesy of NISSAN NORTH AMERICA, INC.
Fig 9: Vehicle Security System Connectors (5 Of 9)
GNSAAKIA2338GB-338Courtesy of NISSAN NORTH AMERICA, INC.
Fig 10: Vehicle Security System Connectors (6 Of 9)
GNSAAKIA3204GB-204Courtesy of NISSAN NORTH AMERICA, INC.
Fig 11: Vehicle Security System Connectors (7 Of 9)
GNSAAKIA2450GB-450Courtesy of NISSAN NORTH AMERICA, INC.
Fig 12: Vehicle Security System Connectors (8 Of 9)
GNSAAKIA3205GB-205Courtesy of NISSAN NORTH AMERICA, INC.
Fig 13: Vehicle Security System Connectors (9 Of 9)
GNSAAKIA3218GB-218Courtesy of NISSAN NORTH AMERICA, INC.