LEMON Manuals: Even more car manuals for everyone: 1960-2025
Home >> Nissan-Datsun >> 2014 >> Rogue SL, AWD >> Repair and Diagnosis >> External Pages >> Different car >> Section 91 (Security Control System (With Intelligent Key System)) >> Wiring Diagram >> Engine Start Function >> Wiring Diagram
April 5, 2026: LEMON Manuals is launched! Read the announcement.

Engine Start Function: Wiring Diagram

WARNING: This page is about a different car, the 2016 Nissan Rogue. However, it is still accessible from the selected car via links, so may be relevant.
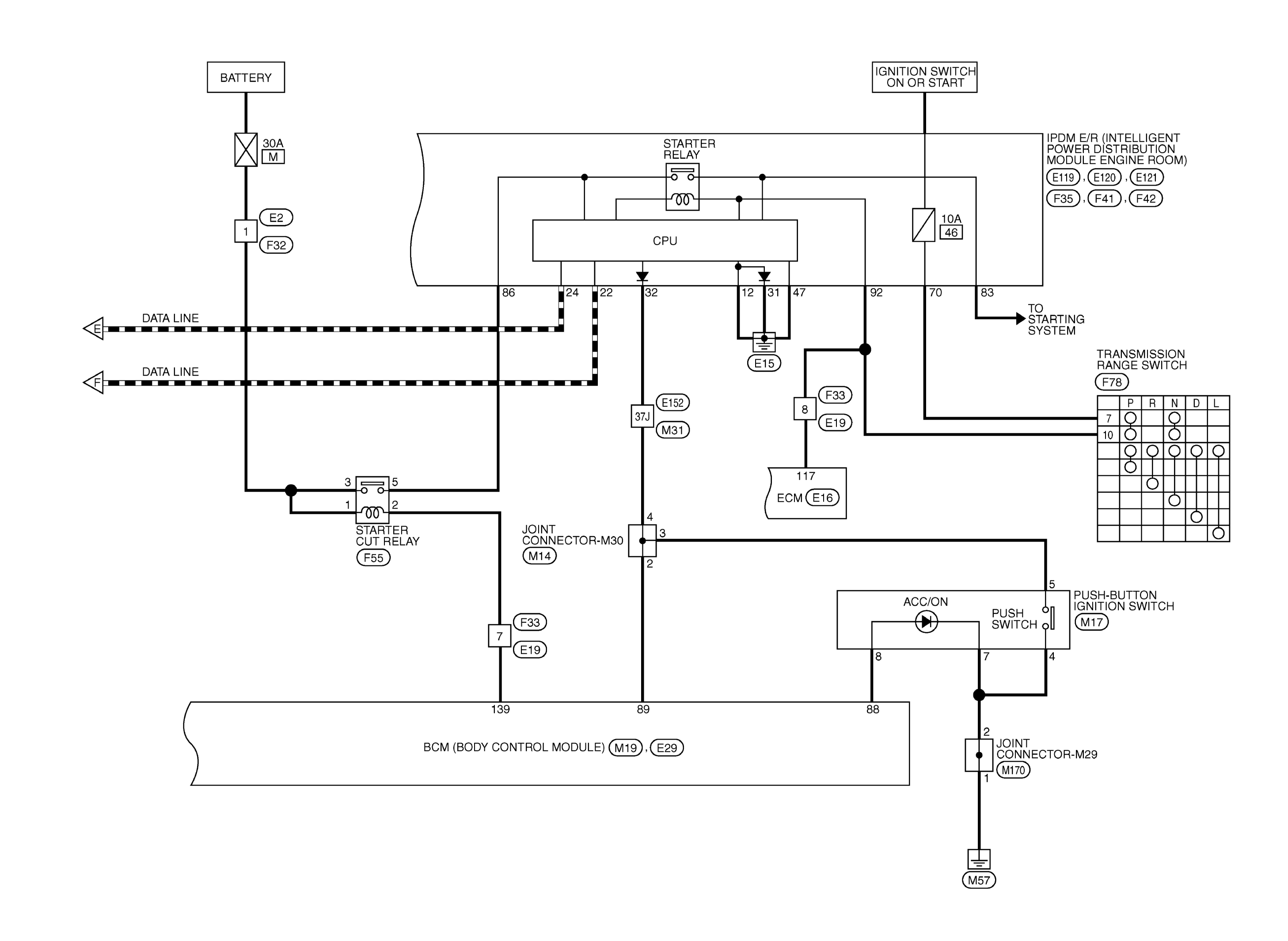
Fig 1: Engine Start Function Wiring Diagram (1 Of 4)
GNSAAKWA1326GB-326Courtesy of NISSAN NORTH AMERICA, INC.
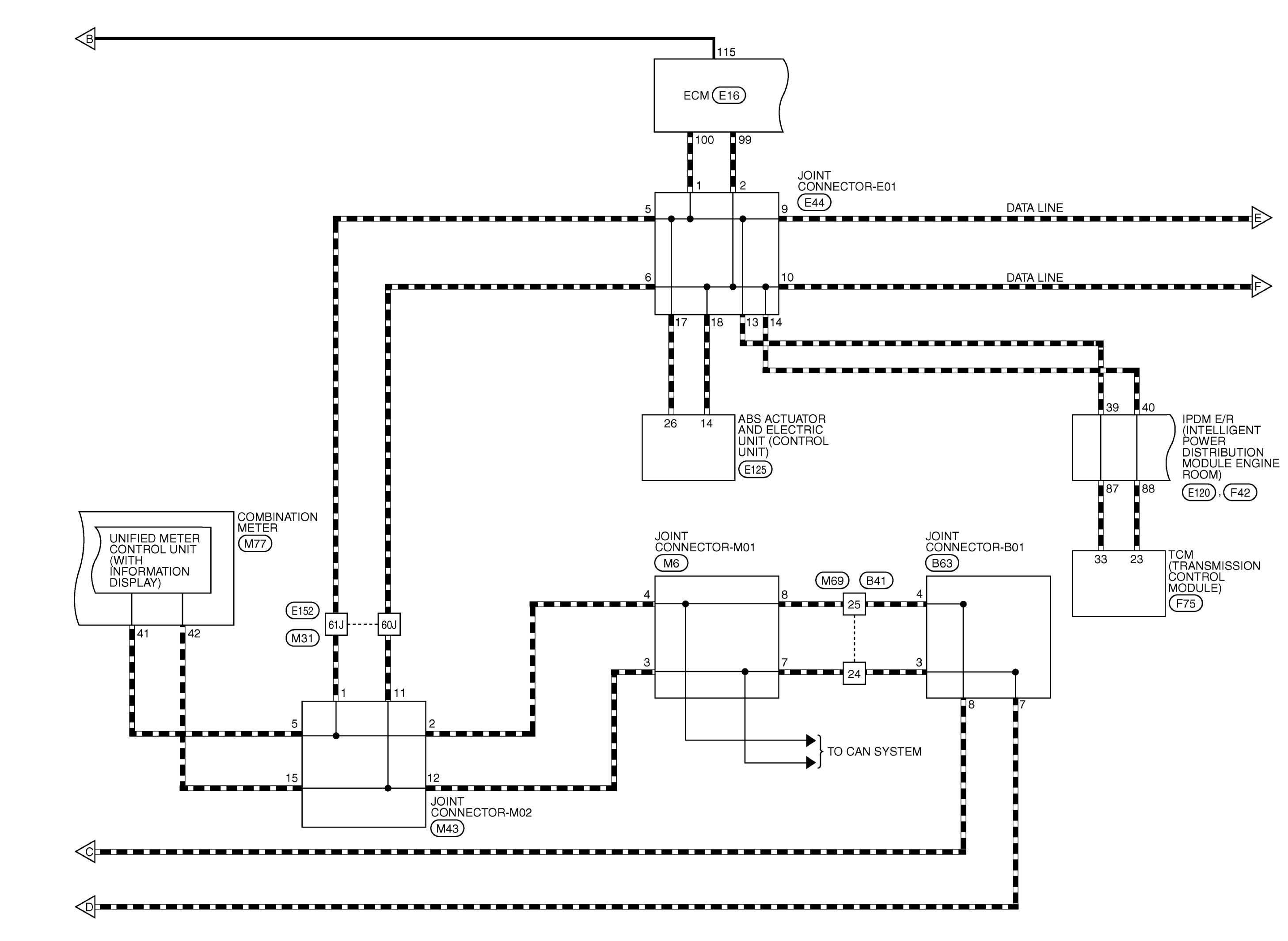
Fig 2: Engine Start Function Wiring Diagram (2 Of 4)
GNSAAKWA1327GB-327Courtesy of NISSAN NORTH AMERICA, INC.
Fig 3: Engine Start Function Wiring Diagram (3 Of 4)
GNSAAKWA1328GB-328Courtesy of NISSAN NORTH AMERICA, INC.
Fig 4: Engine Start Function Wiring Diagram (4 Of 4)
GNSAAKWA1329GB-329Courtesy of NISSAN NORTH AMERICA, INC.
Fig 5: Engine Start Function Connectors (1 Of 9)
GNSAAKIA2335GB-335Courtesy of NISSAN NORTH AMERICA, INC.
Fig 6: Engine Start Function Connectors (2 Of 9)
GNSAAKIA3208GB-208Courtesy of NISSAN NORTH AMERICA, INC.
Fig 7: Engine Start Function Connectors (3 Of 9)
GNSAAKIA2311GB-311Courtesy of NISSAN NORTH AMERICA, INC.
Fig 8: Engine Start Function Connectors (4 Of 9)
GNSAAKIA2312GB-312Courtesy of NISSAN NORTH AMERICA, INC.
Fig 9: Engine Start Function Connectors (5 Of 9)
GNSAAKIA3209GB-209Courtesy of NISSAN NORTH AMERICA, INC.
Fig 10: Engine Start Function Connectors (6 Of 9)
GNSAAKIA3210GB-210Courtesy of NISSAN NORTH AMERICA, INC.
Fig 11: Engine Start Function Connectors (7 Of 9)
GNSAAKIA3211GB-211Courtesy of NISSAN NORTH AMERICA, INC.
Fig 12: Engine Start Function Connectors (8 Of 9)
GNSAAKIA3212GB-212Courtesy of NISSAN NORTH AMERICA, INC.
Fig 13: Engine Start Function Connectors (9 Of 9)
GNSAAKIA3213GB-213Courtesy of NISSAN NORTH AMERICA, INC.