LEMON Manuals: Even more car manuals for everyone: 1960-2025
Home >> Nissan-Datsun >> 2014 >> Sentra FE+SV >> Repair and Diagnosis >> Body & Frame >> Door Locks >> Security Control System (With Intelligent Key) >> Wiring Diagram >> Intelligent Key System/Engine Start Function >> Wiring Diagram
April 5, 2026: LEMON Manuals is launched! Read the announcement.

Intelligent Key System/Engine Start Function: Wiring Diagram

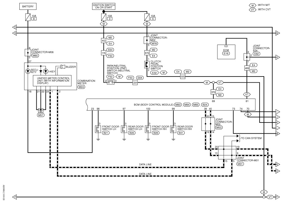
Fig 1: Intelligent Key System/Engine Start Function - Wiring Diagram (1 Of 4)
G09460158Courtesy of NISSAN NORTH AMERICA, INC.
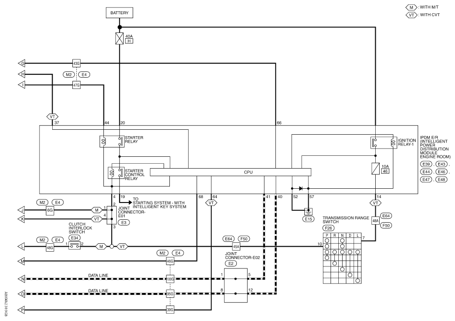
Fig 2: Intelligent Key System/Engine Start Function - Wiring Diagram (2 Of 4)
G09460159Courtesy of NISSAN NORTH AMERICA, INC.
Fig 3: Intelligent Key System/Engine Start Function - Wiring Diagram (3 Of 4)
G09460160Courtesy of NISSAN NORTH AMERICA, INC.
Fig 4: Intelligent Key System/Engine Start Function - Wiring Diagram (4 Of 4)
G09460161Courtesy of NISSAN NORTH AMERICA, INC.