LEMON Manuals: Even more car manuals for everyone: 1960-2025
Home >> Nissan-Datsun >> 2014 >> Versa Note S Plus >> Repair and Diagnosis >> Electrical >> Body Electrical >> Power Control System (IPDM/Er) (Without I-Key) >> Ecu Diagnosis Information >> IPDM E/R (Intelligent Power Distribution Module Engine Room) >> Reference Value >> Terminal Layout
April 5, 2026: LEMON Manuals is launched! Read the announcement.

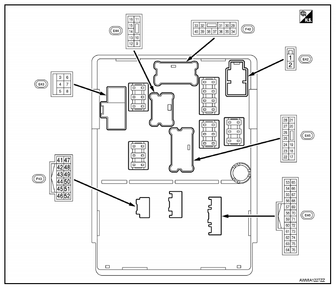
Terminal Layout

Fig 1: Intelligent Power Distribution Module Engine Room Connector End Views
G08204447Courtesy of NISSAN NORTH AMERICA, INC.