LEMON Manuals: Even more car manuals for everyone: 1960-2025
Home >> Nissan-Datsun >> 2015 >> Leaf SV >> Repair and Diagnosis >> External Pages >> Different car >> Section 98 (Security Control System (With Intelligent Key System)) >> With Intelligent Key System >> Wiring Diagram >> Vehicle Security System >> Wiring Diagram
April 5, 2026: LEMON Manuals is launched! Read the announcement.

Vehicle Security System: Wiring Diagram

WARNING: This page is about a different car, the 2015 Nissan Armada. However, it is still accessible from the selected car via links, so may be relevant.
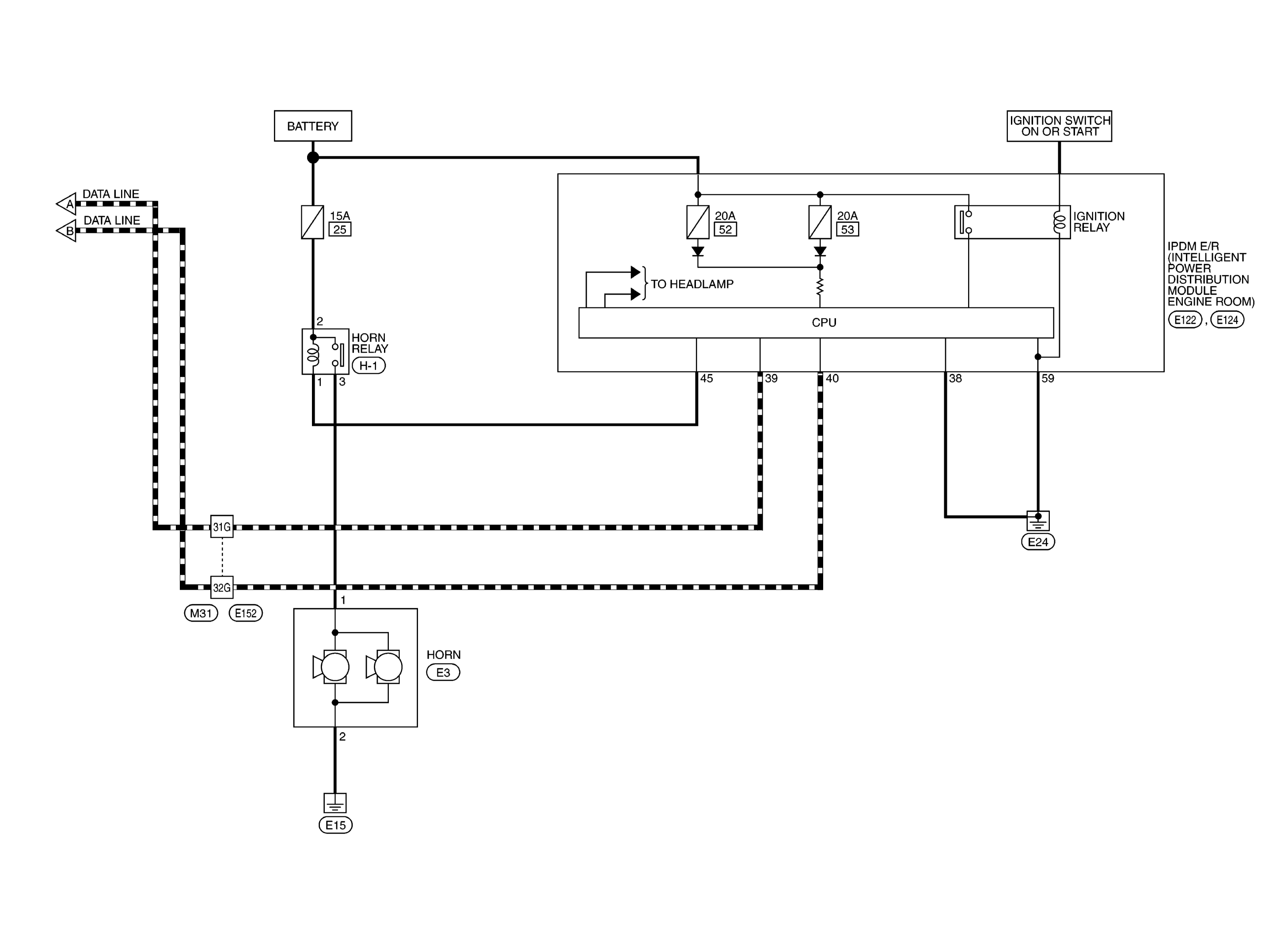
Fig 1: Vehicle Security System Wiring Diagram (1 Of 2)
GNSABKWA2742GB-742Courtesy of NISSAN NORTH AMERICA, INC.
Fig 2: Vehicle Security System Wiring Diagram (2 Of 2)
G09232238Courtesy of NISSAN NORTH AMERICA, INC.
Fig 3: Vehicle Security System Connector End Views (1 Of 11)
G09232239Courtesy of NISSAN NORTH AMERICA, INC.
Fig 4: Vehicle Security System Connector End Views (2 Of 11)
G09232240Courtesy of NISSAN NORTH AMERICA, INC.
Fig 5: Vehicle Security System Connector End Views (3 Of 11)
G09232241Courtesy of NISSAN NORTH AMERICA, INC.
Fig 6: Vehicle Security System Connector End Views (4 Of 11)
G09232242Courtesy of NISSAN NORTH AMERICA, INC.
Fig 7: Vehicle Security System Connector End Views (5 Of 11)
G09232243Courtesy of NISSAN NORTH AMERICA, INC.
Fig 8: Vehicle Security System Connector End Views (6 Of 11)
G09232244Courtesy of NISSAN NORTH AMERICA, INC.
Fig 9: Vehicle Security System Connector End Views (7 Of 11)
G09232245Courtesy of NISSAN NORTH AMERICA, INC.
Fig 10: Vehicle Security System Connector End Views (8 Of 11)
G09232246Courtesy of NISSAN NORTH AMERICA, INC.
Fig 11: Vehicle Security System Connector End Views (9 Of 11)
G09232247Courtesy of NISSAN NORTH AMERICA, INC.
Fig 12: Vehicle Security System Connector End Views (10 Of 11)
G09232248Courtesy of NISSAN NORTH AMERICA, INC.
Fig 13: Vehicle Security System Connector End Views (11 Of 11)
G09232249Courtesy of NISSAN NORTH AMERICA, INC.