LEMON Manuals: Even more car manuals for everyone: 1960-2025
Home >> Nissan-Datsun >> 2015 >> Rogue SL, AWD >> Repair and Diagnosis >> Engine Performance >> Testing & Diagnosis >> Engine Control System (Introduction) >> System Description >> System >> Engine Control System >> Circuit Diagram
April 5, 2026: LEMON Manuals is launched! Read the announcement.

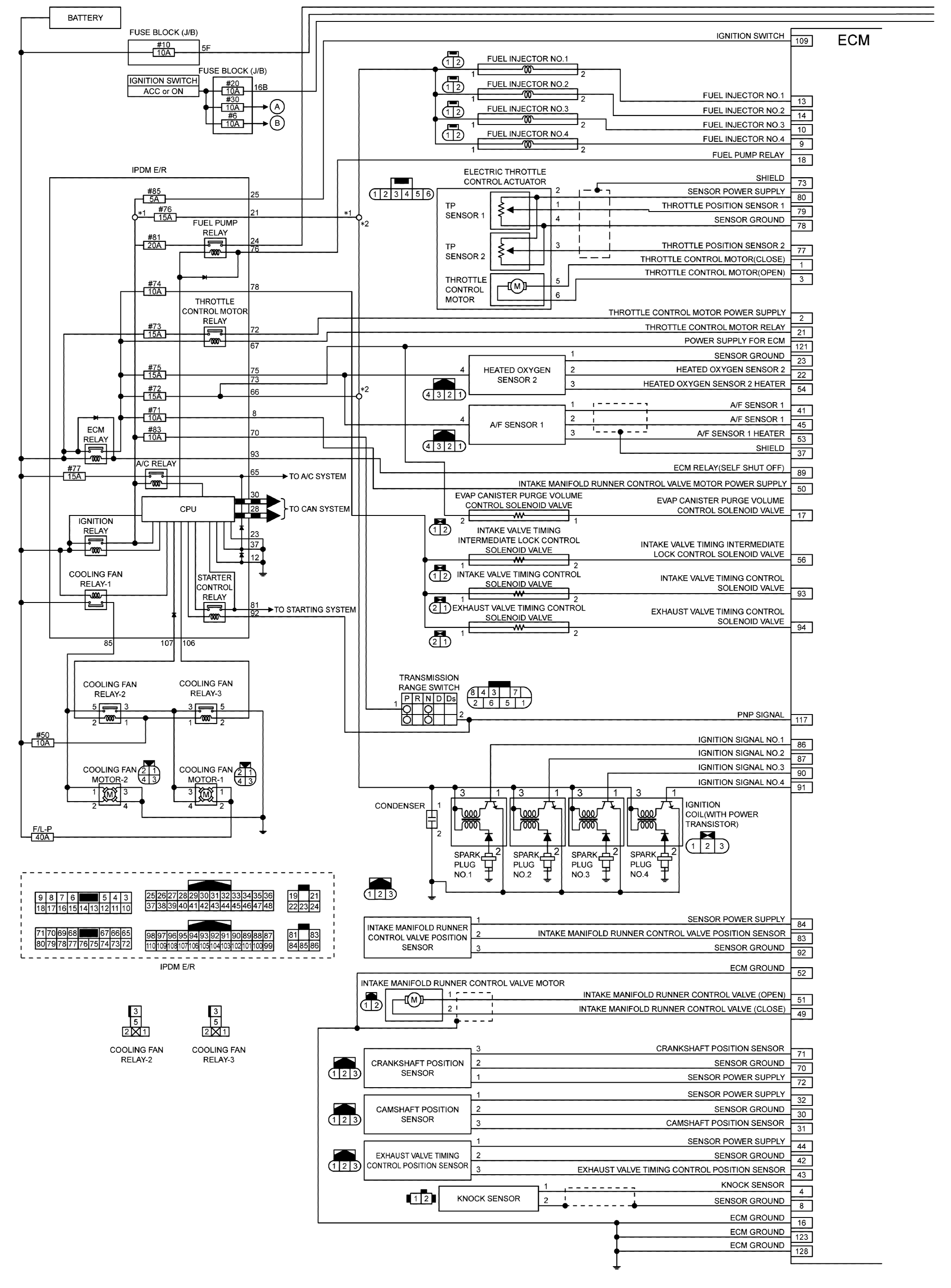
Circuit Diagram

Fig 1: Engine Control System Wiring Diagram and Connector End View (1 Of 2)
GNSJSBIA5685GB-685Courtesy of NISSAN NORTH AMERICA, INC.
Fig 2: Engine Control System Wiring Diagram and Connector End View (2 Of 2)
GNSJSBIA4979GB-979Courtesy of NISSAN NORTH AMERICA, INC.